Cable harnesses, control panel погрузчика колесного Volvo Construction Equipment L120D
Cable harnesses, control panel погрузчика колесного Volvo Construction Equipment L120D со списком деталей и комплектацией. Каждую деталь можно приобрести в наличии и под заказ с дотавкой по всей России
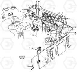
Код подсистемы:60929
Наименование:Cable harnesses, control panel
Версия:
Cable harnesses, control panel L120D
| Поз. | Код | Наименование | Кол | Прим. | |
|---|---|---|---|---|---|
| 1 | VOE 11170621 | 11170621 | 1 | ||
| 10 | VOE 8159086 | Receptacle housing | 1 | ||
| 10 | VOE 8159086 | Receptacle housing | 1 | ||
| 11 | VOE 948295 | Insulator | 1 | ||
| 11 | VOE 948295 | Изолятор | 1 | ||
| 12 | VOE 968388 | Картер (корпус) | 1 | ||
| 13 | VOE 961970 | Пробка (заглушка) | 1 | ||
| 13 | VOE 961970 | Пробка (заглушка) | 1 | ||
| 14 | VOE 11039490 | Fuse holder | 1 | ||
| 14 | VOE 11039490 | Fuse holder | 1 | ||
| 15 | VOE 11041350 | 11041350 | 1 | ||
| 16 | VOE 1096614 | Картер (корпус) | 1 | ||
| 16 | VOE 1096614 | Изолятор | 1 | ||
| 17 | VOE 13949597 | Изолятор | 1 | ||
| 17 | VOE 13949597 | Protecting sleeve | 1 | ||
| 18 | VOE 13961962 | Protecting bushing | 1 | ||
| 18 | VOE 13961962 | Protecting bushing | 1 | ||
| 2 | VOE 1096619 | Картер (корпус) | 1 | ||
| 2 | VOE 1096619 | Изолятор | 1 | ||
| 3 | VOE 4803454 | Receptacle housing | 1 | ||
| 3 | VOE 4803454 | Receptacle housing | 1 | ||
| 4 | VOE 4803532 | Socket housing | 1 | ||
| 4 | VOE 4803532 | Socket housing | 1 | ||
| 5 | VOE 1307600 | Картер (корпус) | 1 | ||
| 5 | VOE 1307600 | Изолятор | 1 | ||
| 6 | VOE 14340067 | Socket housing | 1 | ||
| 6 | VOE 14340067 | Socket housing | 1 | ||
| 7 | VOE 13949597 | Изолятор | 1 | ||
| 7 | VOE 13949597 | Protecting sleeve | 1 | ||
| 8 | VOE 1096618 | Receptacle housing | 1 | ||
| 8 | VOE 1096618 | Receptacle housing | 1 | ||
| 9 | VOE 13958210 | Receptacle housing | 1 | ||
| 9 | VOE 13958210 | Receptacle housing | 1 |

