Насос масляный погрузчика колесного Volvo Construction Equipment L150D
Насос масляный погрузчика колесного Volvo Construction Equipment L150D со списком деталей и комплектацией. Каждую деталь можно приобрести в наличии и под заказ с дотавкой по всей России
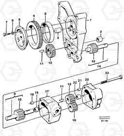
Код подсистемы:99793
Наименование:Oil pump
Версия:
Oil pump L150D
| Поз. | Код | Наименование | Кол | Прим. | |
|---|---|---|---|---|---|
| VOE 11700221 | Overhaul kit | 1 | |||
| VOE 11700221 | Overhaul kit | 1 | |||
| VOE 11031607 | Насос масляный | 1 | |||
| 1 | VOE 470348 | Кронштейн | 1 | ||
| 10 | VOE 470353 | Pump rotor | 1 | ||
| 11 | VOE 910115 | Woodruff key | 1 | ||
| 11 | VOE 910115 | Woodruff key | 1 | ||
| 12 | VOE 470356 | Drive Gear | 1 | ||
| 13 | VOE 4778435 | Gear | 1 | ||
| 14 | VOE 4778325 | Вал | 1 | ||
| 15 | VOE 470353 | Pump rotor | 1 | ||
| 16 | VOE 470353 | Pump rotor | 1 | ||
| 17 | VOE 11031606 | Oil pump housing | 1 | ||
| 18 | VOE 401146 | Guide sleeve | 1 | ||
| 19 | VOE 469681 | Bearing Bushing | 1 | ||
| 2 | VOE 470347 | Втулка | 1 | ||
| 20 | VOE 470344 | Oil pump housing | 1 | ||
| 21 | VOE 401146 | Guide sleeve | 1 | ||
| 22 | VOE 470347 | Втулка | 1 | ||
| 23 | VOE 944446 | Винт шестигранник | 1 | ||
| 3 | VOE 191171 | Палец | 1 | ||
| 4 | VOE 422047 | Промежуточная шестерня | 1 | ||
| 5 | VOE 422314 | Втулка | 1 | ||
| 6 | VOE 422313 | Bearing sleeve | 1 | ||
| 7 | VOE 940186 | Винт шестигранник | 1 | ||
| 7 | VOE 940186 | Винт шестигранник | 1 | ||
| 8 | VOE 13941907 | Шайба пружинная | 1 | ||
| 8 | VOE 13941907 | Шайба | 1 | ||
| 9 | VOE 4778319 | Вал | 1 |

