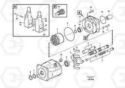
Гидронасос (основной насос) погрузчика колесного Volvo Construction Equipment L330D
Гидронасос (основной насос) погрузчика колесного Volvo Construction Equipment L330D со списком деталей и комплектацией. Каждую деталь можно приобрести в наличии и под заказ с дотавкой по всей России
Код подсистемы:22924
Наименование:Hydraulic pump
Версия:P2, 140 CC
Hydraulic pump L330D
| Поз. | Код | Наименование | Кол | Прим. | |
|---|---|---|---|---|---|
| VOE 11096982 | Гидронасос (основной насос) | 1 | |||
| 1 | VOE 11708136 | Вал приводной (ведущий) | 1 | ||
| 10 | VOE 11708139 | Подшипник | 1 | ||
| 11 | VOE 11708146 | Шайба | 1 | ||
| 12 | VOE 11706189 | Check valve | 1 | ||
| 12 | VOE 11706189 | Клапан обратный | 1 | ||
| 13 | VOE 11708143 | Кольцо уплотнительное (О-кольцо) | 1 | ||
| 14 | VOE 11708145 | Болт | 1 | ||
| 15 | VOE 11708137 | Shaft Coupling | 1 | ||
| 16 | VOE 11998866 | Кольцо уплотнительное (О-кольцо) | 1 | ||
| 16 | VOE 11998866 | Кольцо уплотнительное (О-кольцо) | 1 | ||
| 17 | VOE 959255 | Allen Hd Screw | 1 |
(11708115)
|
|
| 18 | VOE 11998867 | Шайба | 1 | ||
| 18 | VOE 11998867 | Шайба | 1 | ||
| 19 | VOE 11701341 | Пробка (заглушка) | 1 | ||
| 19 | VOE 11701341 | Пробка (заглушка) | 1 | ||
| 2 | VOE 11708133 | Pump Unit | 1 | ||
| 20 | VOE 11708132 | Shf Cont Valve | 1 | ||
| 21 | VOE 4880492 | Кольцо уплотнительное (О-кольцо) | 1 | ||
| 21 | VOE 4880492 | Кольцо уплотнительное (О-кольцо) | 1 | ||
| 22 | VOE 11708150 | Ремкомплект | 1 | ||
| 23 | VOE 11708131 | Shf Cont Valve | 1 | ||
| 24 | VOE 4880492 | Кольцо уплотнительное (О-кольцо) | 1 | ||
| 24 | VOE 4880492 | Кольцо уплотнительное (О-кольцо) | 1 | ||
| 25 | VOE 11708150 | Ремкомплект | 1 | ||
| 26 | VOE 11714121 | Винт шестигранник | 1 | ||
| 26 | VOE 11714121 | Винт шестигранник | 1 | ||
| 3 | VOE 11708134 | Control Unit | 1 | ||
| 4 | VOE 11708135 | Вилка | 1 | ||
| 5 | VOE 11708140 | Подшипник | 1 | ||
| 6 | VOE 11708138 | Подшипник | 1 | ||
| 7 | VOE 11708141 | Сальник | 1 | ||
| 8 | VOE 11708144 | Lock Ring | 1 | ||
| 9 | VOE 11708142 | Кольцо уплотнительное (О-кольцо) | 1 |

