Transmission: Oil filter, oil lines погрузчика колесного Volvo Construction Equipment L330D
Transmission: Oil filter, oil lines погрузчика колесного Volvo Construction Equipment L330D со списком деталей и комплектацией. Каждую деталь можно приобрести в наличии и под заказ с дотавкой по всей России
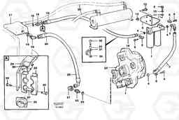
Код подсистемы:42243
Наименование:Transmission: Oil filter, oil lines
Версия:
Transmission: Oil filter, oil lines L330D
| Поз. | Код | Наименование | Кол | Прим. | |
|---|---|---|---|---|---|
| VOE 983382 | Кольцо уплотнительное (О-кольцо) | 1 | |||
| VOE 982221 | Винт шестигранник | 1 |
SER NO 61072 -
|
||
| VOE 982221 | Винт шестигранник | 1 |
SER NO 61072 -
|
||
| 10 | VOE 13812514 | Стопорная шайба (кольцо) | 1 |
SER NO - 61071
|
|
| 10 | VOE 13812514 | Стопорная шайба (кольцо) | 1 |
SER NO - 61071
|
|
| 11 | VOE 11160894 | Шайба | 1 | ||
| 11 | VOE 11160894 | Шайба | 1 | ||
| 12 | VOE 946472 | Flange screw | 1 | ||
| 12 | VOE 946472 | Flange screw | 1 | ||
| 13 | VOE 13971098 | Flange nut | 1 | ||
| 13 | VOE 13971098 | Flange nut | 1 | ||
| 14 | VOE 11141682 | Hose assembly | 1 | ||
| 15 | VOE 13807525 | Elbow | 1 | ||
| 16 | VOE 13804061 | Кольцо уплотнительное (О-кольцо) | 1 | ||
| 18 | VOE 4821835 | L-connection | 1 | ||
| 19 | VOE 932044 | Кольцо уплотнительное (О-кольцо) | 1 | ||
| 2 | VOE 11141683 | Hose assembly | 1 | ||
| 20 | VOE 11141684 | Hose assembly | 1 | ||
| 21 | VOE 4823878 | Elbow | 1 | ||
| 22 | VOE 4821851 | Nipple | 1 | ||
| 23 | VOE 932044 | Кольцо уплотнительное (О-кольцо) | 1 | ||
| 25 | VOE 11061372 | Rubber bushing | 1 | ||
| 26 | VOE 11061319 | Тарелка клапана | 1 | ||
| 27 | VOE 11061173 | Гайка | 1 | ||
| 28 | VOE 13965185 | Screw | 1 | ||
| 28 | VOE 13965185 | Болт | 1 | ||
| 29 | VOE 11141365 | 11141365 | 1 | ||
| 3 | VOE 11109926 | Адаптер | 1 | ||
| 30 | VOE 13965185 | Screw | 1 | ||
| 30 | VOE 13965185 | Болт | 1 | ||
| 31 | VOE 13808114 | Зажим | 1 | ||
| 32 | VOE 13965186 | Болт | 1 | ||
| 32 | VOE 13965186 | Screw | 1 | ||
| 33 | VOE 4943026 | Spacer sleeve | 1 | ||
| 33 | VOE 4943026 | Spacer sleeve | 1 | ||
| 34 | VOE 13971098 | Flange nut | 1 | ||
| 34 | VOE 13971098 | Flange nut | 1 | ||
| 36 | VOE 13811074 | Болт | 1 | ||
| 36 | VOE 13811074 | Винт шестигранник | 1 | ||
| 37 | VOE 11160896 | Шайба | 1 | ||
| 37 | VOE 11160896 | Шайба | 1 | ||
| 4 | VOE 982737 | Кольцо уплотнительное (О-кольцо) | 1 | ||
| 4 | VOE 982737 | Кольцо уплотнительное (О-кольцо) | 1 | ||
| 5 | VOE 935309 | Flange half | 1 | ||
| 5 | VOE 935309 | Flange half | 1 | ||
| 6 | VOE 982227 | Винт шестигранник | 1 | ||
| 6 | VOE 982227 | Винт шестигранник | 1 | ||
| 8 | VOE 11141835 | 11141835 | 1 | ||
| 9 | VOE 13811036 | Болт | 1 |
SER NO - 61071
|

