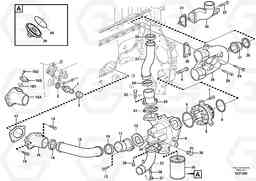
Water pump and thermostat housing самосвала cочлененного Volvo Construction Equipment A40D
Water pump and thermostat housing самосвала cочлененного Volvo Construction Equipment A40D со списком деталей и комплектацией. Каждую деталь можно приобрести в наличии и под заказ с дотавкой по всей России
Код подсистемы:52697
Наименование:Water pump and thermostat housing
Версия:
Water pump and thermostat housing A40D
| Поз. | Код | Наименование | Кол | Прим. | |
|---|---|---|---|---|---|
| VOE 20431137 | Coolant pump | 1 | |||
| VOE 1676432 | Кольцо уплотнительное | 1 | |||
| VOE 1676432 | Кольцо уплотнительное | 1 | |||
| VOE 20441656 | Pipe Connection | 1 |
ENG 250502 -
|
||
| VOE 8149186 | Термостат | 1 | |||
| VOE 13965189 | Screw | 1 | |||
| VOE 13965189 | Болт | 1 | |||
| VOE 8130185 | Прокладка | 1 |
ENG 250502 -
|
||
| VOE 946671 | Flange screw | 1 |
ENG 250502 -
|
||
| VOE 946671 | Flange screw | 1 |
ENG 250502 -
|
||
| 1 | VOE 1676622 | Nipple | 1 | ||
| 10 | VOE 20532237 | Coolant filter | 1 |
SER NO - 13299
|
|
| 10 | VOE 20532237 | Coolant filter | 1 |
SER NO - 13299
|
|
| 11 | VOE 8170513 | Pipe connection | 1 | ||
| 12 | VOE 8170514 | Прокладка | 1 | ||
| 13 | VOE 13946173 | Screw | 1 | ||
| 13 | VOE 13946173 | Болт | 1 | ||
| 14 | VOE 1547254 | Кольцо уплотнительное | 1 | ||
| 14 | VOE 1547254 | Кольцо уплотнительное | 1 | ||
| 15 | VOE 8170314 | Coolant pipe | 1 | ||
| 16 | VOE 1677855 | Pipe connection | 1 |
ENG - 250501
|
|
| 16A | VOE 20412154 | Pipe connection | 1 | ||
| 16B | VOE 471752 | Крышка | 1 | ||
| 16C | VOE 975664 | Кольцо уплотнительное (О-кольцо) | 1 | ||
| 16C | VOE 975664 | Кольцо уплотнительное (О-кольцо) | 1 | ||
| 16D | VOE 13946544 | Болт | 1 | ||
| 16D | VOE 13946544 | Screw | 1 | ||
| 17 | VOE 8170515 | Прокладка | 1 |
ENG - 250501
|
|
| 18 | VOE 13945444 | Болт | 1 |
L = 25 MM
|
|
| 18 | VOE 13945444 | Screw | 1 |
L = 25 MM
|
|
| 19 | VOE 13948217 | Screw | 1 |
L = 45 MM
|
|
| 19 | VOE 13948217 | Болт | 1 |
L = 45 MM
|
|
| 2 | VOE 13947627 | Plane gasket | 1 | ||
| 2 | VOE 13947627 | Plane gasket | 1 | ||
| 20 | VOE 8170513 | Pipe connection | 1 | ||
| 21 | VOE 8170514 | Прокладка | 1 | ||
| 22 | VOE 13946173 | Screw | 1 | ||
| 22 | VOE 13946173 | Болт | 1 | ||
| 23 | VOE 8170319 | Coolant pipe | 1 | ||
| 24 | VOE 1547254 | Кольцо уплотнительное | 1 | ||
| 24 | VOE 1547254 | Кольцо уплотнительное | 1 | ||
| 25 | VOE 20713785 | Distr Pipe | 1 | ||
| 26 | VOE 8170519 | Прокладка | 1 | ||
| 26 | VOE 8170519 | Прокладка | 1 | ||
| 27 | VOE 8149182 | Термостат | 1 | ||
| 27 | VOE 8149182 | Термостат | 1 | ||
| 28 | VOE 1544710 | Кольцо уплотнительное | 1 | ||
| 28 | VOE 1544710 | Кольцо уплотнительное | 1 | ||
| 29 | VOE 13965181 | Болт | 1 | ||
| 29 | VOE 13965181 | Screw | 1 | ||
| 3 | VOE 476279 | Protecting cap | 1 | ||
| 30 | VOE 20585610 | Трубка | 1 | ||
| 31 | VOE 8149301 | Прокладка | 1 | ||
| 31 | VOE 8149301 | Прокладка | 1 | ||
| 32 | VOE 13965181 | Болт | 1 | ||
| 32 | VOE 13965181 | Screw | 1 | ||
| 33 | VOE 11063788 | Трубка | 1 | ||
| 34 | VOE 11445263 | Кольцо уплотнительное (О-кольцо) | 1 | ||
| 34 | VOE 11445263 | Кольцо уплотнительное (О-кольцо) | 1 | ||
| 35 | VOE 946671 | Flange screw | 1 | ||
| 35 | VOE 946671 | Flange screw | 1 | ||
| 36 | VOE 11423133 | Nipple | 1 | ||
| 36 | VOE 11423133 | Nipple | 1 | ||
| 37 | VOE 11194108 | Protecting sleeve | 1 | ||
| 37 | VOE 11194108 | Protecting sleeve | 1 | ||
| 38 | VOE 11129284 | Elbow nipple | 1 | ||
| 39 | VOE 20810238 | Крышка | 1 |
SER NO 13300-
|
|
| 4 | VOE 8170312 | Картер (корпус) | 1 | ||
| 4 | VOE 8170312 | Картер (корпус) | 1 | ||
| 40 | VOE 13975675 | Кольцо уплотнительное (О-кольцо) | 1 |
SER NO 12300 -
|
|
| 40 | VOE 13975675 | Кольцо уплотнительное (О-кольцо) | 1 |
SER NO 12300 -
|
|
| 5 | VOE 20431135 | Bearing housing | 1 | ||
| 6 | VOE 975687 | Кольцо уплотнительное (О-кольцо) | 1 | ||
| 7 | VOE 13946173 | Screw | 1 | ||
| 7 | VOE 13946173 | Болт | 1 | ||
| 8 | VOE 948980 | Кольцо уплотнительное (О-кольцо) | 1 | ||
| 8 | VOE 948980 | Кольцо уплотнительное (О-кольцо) | 1 | ||
| 9 | VOE 13947790 | Болт | 1 | ||
| 9 | VOE 13947790 | Screw | 1 |

