Cable harnesses, front самосвала cочлененного Volvo Construction Equipment A40D
Cable harnesses, front самосвала cочлененного Volvo Construction Equipment A40D со списком деталей и комплектацией. Каждую деталь можно приобрести в наличии и под заказ с дотавкой по всей России
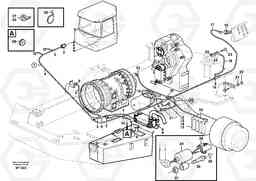
Код подсистемы:55877
Наименование:Cable harnesses, front
Версия:
Cable harnesses, front A40D
| Поз. | Код | Наименование | Кол | Прим. | |
|---|---|---|---|---|---|
| VOE 11119781 | Protection | 1 |
SER NO 10184 - 10187,
|
||
| VOE 11194372 | Cable harness | 1 |
SER NO 12001 -
|
||
| VOE 11117895 | Cable harness | 1 |
SER NO 10224 - 10345
|
||
| VOE 11121122 | Cable harness | 1 |
SER NO 10346 - 10467
|
||
| VOE 11121125 | Cable harness | 1 |
SER NO 10468 - 10950
|
||
| VOE 11193229 | Wire harness | 1 |
SER NO 10951 - 12000
|
||
| VOE 946473 | Flange screw | 1 |
SER NO 10184 -10187,
|
||
| VOE 946473 | Flange screw | 1 |
SER NO 10184 -10187,
|
||
| 1 | VOE 11117600 | Cable harness | 1 |
SER NO - 10223
|
|
| 10 | VOE 8159013 | Картер (корпус) | 1 |
(SE5207, SE5214, SE5608)
|
|
| 10 | VOE 8159013 | Изолятор | 1 |
(SE5207, SE5214, SE5608)
|
|
| 11 | VOE 4803751 | Шланг | 1 | ||
| 11 | VOE 4803751 | Шланг | 1 | ||
| 12 | VOE 6646637 | Contact housing | 1 |
(MA5201)
|
|
| 12 | VOE 6646637 | Contact housing | 1 |
(MA5201)
|
|
| 13 | VOE 11039262 | Кольцо уплотнительное | 1 | ||
| 13 | VOE 11039262 | Кольцо уплотнительное | 1 | ||
| 14 | VOE 4803794 | Гайка | 1 | ||
| 14 | VOE 4803794 | Гайка | 1 | ||
| 15 | VOE 4803274 | Диод | 1 | ||
| 15 | VOE 4803274 | Диод | 1 | ||
| 16 | VOE 4803711 | End sleeve | 1 | ||
| 16 | VOE 4803711 | End sleeve | 1 | ||
| 17 | VOE 11059933 | Battery cable | 1 |
SER NO - 12000
|
|
| 18 | VOE 11059986 | El Cable | 1 | ||
| 2 | VOE 11113393 | Картер (корпус) | 1 |
(C04)
|
|
| 2 | VOE 11113393 | Картер (корпус) | 1 |
(C04)
|
|
| 20 | VOE 13965191 | Screw | 1 | ||
| 20 | VOE 13965191 | Болт | 1 | ||
| 21 | VOE 967600 | Toothed washer | 1 | ||
| 21 | VOE 967600 | Стопорная шайба (кольцо) | 1 | ||
| 22 | VOE 971099 | Flange lock nut | 1 | ||
| 22 | VOE 971099 | Flange lock nut | 1 | ||
| 23 | VOE 13946173 | Screw | 1 | ||
| 23 | VOE 13946173 | Болт | 1 | ||
| 24 | VOE 942767 | Toothed washer | 1 | ||
| 24 | VOE 942767 | Toothed washer | 1 | ||
| 25 | VOE 948645 | Flange lock nut | 1 | ||
| 25 | VOE 948645 | Flange lock nut | 1 | ||
| 26 | VOE 3963413 | Кольцо | 1 | ||
| 27 | VOE 967531 | Зажим | 1 |
20,6
|
|
| 27 | VOE 967531 | Зажим | 1 |
20,6
|
|
| 28 | VOE 4881440 | Cable tie | 1 | ||
| 28 | VOE 4881440 | Cable tie | 1 | ||
| 29 | VOE 952630 | Зажим | 1 |
17,5
|
|
| 29 | VOE 952630 | Зажим | 1 |
17,5
|
|
| 3 | VOE 4803752 | Шланг | 1 | ||
| 3 | VOE 4803752 | Шланг | 1 | ||
| 30 | VOE 11115654 | Cable harness | 1 | ||
| 31 | VOE 8159013 | Картер (корпус) | 1 | ||
| 31 | VOE 8159013 | Изолятор | 1 | ||
| 32 | VOE 3943089 | Tee | 1 | ||
| 33 | VOE 4803746 | Шланг | 1 | ||
| 33 | VOE 4803746 | Шланг | 1 | ||
| 34 | VOE 11115655 | Protection | 1 |
SER NO - 10183, 10188 -
|
|
| 35 | VOE 11115659 | Пробка (заглушка) | 1 |
SER NO - 10183, 10188 -
|
|
| 36 | VOE 964114 | Кольцо уплотнительное (О-кольцо) | 1 |
SER NO - 10183, 10188 -
|
|
| 36 | VOE 964114 | Кольцо уплотнительное (О-кольцо) | 1 |
SER NO - 10183, 10188 -
|
|
| 37 | VOE 13976433 | Flange nut | 1 |
SER NO - 10183, 10188 -
|
|
| 37 | VOE 13976433 | Flange nut | 1 |
SER NO - 10183, 10188 -
|
|
| 38 | VOE 1307048 | Картер (корпус) | 1 | ||
| 38 | VOE 1307048 | Изолятор | 1 | ||
| 4 | VOE 4803748 | Шланг | 1 | ||
| 4 | VOE 4803748 | Шланг | 1 | ||
| 5 | VOE 3943091 | Tee | 1 | ||
| 6 | VOE 3944972 | Изолятор | 1 |
(F05, F08)
|
|
| 6 | VOE 3944972 | Картер (корпус) | 1 |
(F05, F08)
|
|
| 7 | VOE 3943089 | Tee | 1 | ||
| 8 | VOE 4821292 | Cable tie | 1 | ||
| 8 | VOE 4821292 | Cable tie | 1 | ||
| 9 | VOE 11039397 | End sleeve | 1 | ||
| 9 | VOE 11039397 | End sleeve | 1 |

