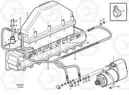
Starter element, assembly экскаватора Volvo Construction Equipment EW200 ?KERMAN ?KERMAN EW200
Starter element, assembly экскаватора Volvo Construction Equipment EW200 ?KERMAN ?KERMAN EW200 со списком деталей и комплектацией. Каждую деталь можно приобрести в наличии и под заказ с дотавкой по всей России
Код подсистемы:39796
Наименование:Starter element, assembly
Версия:TD 63 KHE
Starter element, assembly EW200 ?KERMAN ?KERMAN EW200
| Поз. | Код | Наименование | Кол | Прим. | |
|---|---|---|---|---|---|
| 11 | VOE 7017624 | Гайка | 1 | ||
| 11 | VOE 7017624 | Nut | 1 | ||
| 12 | VOE 13955894 | Шайба | 1 | ||
| 12 | VOE 13955894 | Шайба | 1 | ||
| 13 | VOE 14342143 | Battery Cable | 1 | ||
| 14 | VOE 942400 | Зажим | 1 | ||
| 14 | VOE 942400 | Зажим | 1 | ||
| 2 | VOE 14344565 | Battery Cable | 1 | ||
| 3 | VOE 842150 | Protecting Sleeve | 1 | ||
| 3 | VOE 842150 | Protecting Sleeve | 1 | ||
| 4 | VOE 20367490 | Реле | 1 | ||
| 4 | VOE 20367490 | Реле | 1 | ||
| 5 | VOE 849429 | Крышка | 1 | ||
| 5 | VOE 849429 | Cap | 1 | ||
| 6 | VOE 955244 | Винт шестигранник | 1 | ||
| 6 | VOE 955244 | Винт шестигранник | 1 | ||
| 7 | VOE 13940090 | Шайба | 1 | ||
| 7 | VOE 13940090 | Шайба | 1 | ||
| 8 | VOE 14344943 | Диод | 1 | ||
| 8 | VOE 14344943 | Диод | 1 | ||
| 9 | VOE 14344566 | Battery Cable | 1 |

