Electric installation for load limiting device экскаватора Volvo Construction Equipment EW200 ?KERMAN ?KERMAN EW200
Electric installation for load limiting device экскаватора Volvo Construction Equipment EW200 ?KERMAN ?KERMAN EW200 со списком деталей и комплектацией. Каждую деталь можно приобрести в наличии и под заказ с дотавкой по всей России
Код подсистемы:42882
Наименование:Electric installation for load limiting device
Версия:
Electric installation for load limiting device EW200 ?KERMAN ?KERMAN EW200
| Поз. | Код | Наименование | Кол | Прим. | |
|---|---|---|---|---|---|
| VOE 14266268 | 14266268 | 1 |
SER NO 2683-
|
||
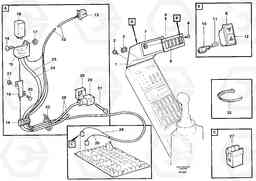
| 1 | VOE 14244006 | Instrument Box | 1 | ||
| 10 | VOE 14214082 | Lamp retainer | 1 | ||
| 11 | VOE 966327 | Bulb | 1 | ||
| 12 | VOE 11039565 | Lens | 1 | ||
| 13 | VOE 14212740 | Socket housing | 1 | ||
| 14 | VOE 14213202 | Mult Connection | 1 | ||
| 15 | VOE 13946556 | Relay socket | 1 | ||
| 15 | VOE 13946556 | Relay socket | 1 | ||
| 16 | VOE 14043513 | Болт | 1 | ||
| 16 | VOE 14043513 | Болт | 1 | ||
| 17 | VOE 14015038 | Гайка | 1 | ||
| 17 | VOE 14015038 | Гайка | 1 | ||
| 18 | VOE 14212962 | Flasher relay | 1 | ||
| 19 | VOE 14248973 | Resistor | 1 | ||
| 2 | VOE 940199 | Винт шестигранник | 1 | ||
| 2 | VOE 940199 | Винт шестигранник | 1 | ||
| 20 | VOE 916304 | Болт | 1 | ||
| 21 | VOE 955778 | Hexagon nut | 1 | ||
| 21 | VOE 955778 | Hexagon nut | 1 | ||
| 22 | VOE 14248974 | 14248974 | 1 | ||
| 23 | VOE 14248976 | Cable | 1 | ||
| 24 | VOE 14248975 | Cable | 1 | ||
| 25 | VOE 954445 | El Cable | 1 |
L = 3 M SER NO -2682
|
|
| 26 | VOE 970624 | El Cable | 1 |
L = 3 M,SER NO -2682
|
|
| 27 | VOE 948295 | Insulator | 1 |
SER NO -2682
|
|
| 27 | VOE 948295 | Изолятор | 1 |
SER NO -2682
|
|
| 28 | VOE 14212812 | Cable | 1 |
L = 2 x 5 M,SER NO -2682
|
|
| 28 | VOE 14212812 | Cable | 1 |
L = 2 x 5 M,SER NO -2682
|
|
| 29 | VOE 14214197 | Cable Contact | 1 |
SER NO -2682
|
|
| 3 | VOE 14213864 | Edge protection | 1 | ||
| 30 | VOE 14213999 | Сальник | 1 | ||
| 31 | VOE 14214000 | Болт | 1 | ||
| 31 | VOE 14214000 | Болт | 1 | ||
| 32 | VOE 14016673 | Strip clamp | 1 | ||
| 32 | VOE 14016673 | Strip clamp | 1 | ||
| 4 | VOE 14248881 | Panel | 1 | ||
| 5 | VOE 14213013 | Cell Rbr Mould | 1 |
L = 0,2 M
|
|
| 6 | VOE 14212815 | Болт | 1 | ||
| 6 | VOE 14212815 | Болт | 1 | ||
| 7 | VOE 14212814 | Гайка | 1 | ||
| 7 | VOE 14212814 | Гайка | 1 | ||
| 8 | VOE 4803467 | Protecting cover | 1 | ||
| 8 | VOE 4803467 | Protecting cover | 1 | ||
| 9 | VOE 4803465 | Control lamp | 1 | ||
| 9 | VOE 4803465 | Control lamp | 1 |

