Slope bucket/rotator equipm. for adj.boom in base machine.button-oper. экскаватора Volvo Construction Equipment EW130 ?KERMAN ?KERMAN EW130 SER NO - 447
Slope bucket/rotator equipm. for adj.boom in base machine.button-oper. экскаватора Volvo Construction Equipment EW130 ?KERMAN ?KERMAN EW130 SER NO - 447 со списком деталей и комплектацией. Каждую деталь можно приобрести в наличии и под заказ с дотавкой по всей России
Код подсистемы:34986
Наименование:Slope bucket/rotator equipm. for adj.boom in base machine.button-oper.
Версия:14264854
Slope bucket/rotator equipm. for adj.boom in base machine.button-oper. EW130 ?KERMAN ?KERMAN EW130 SER NO - 447
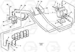
| Поз. | Код | Наименование | Кол | Прим. | |
|---|---|---|---|---|---|
| VOE 14211899 | Кольцо уплотнительное (О-кольцо) | 1 | |||
| VOE 14211899 | Кольцо уплотнительное (О-кольцо) | 1 | |||
| VOE 14211900 | Кольцо уплотнительное (О-кольцо) | 1 | |||
| VOE 14211900 | Кольцо уплотнительное (О-кольцо) | 1 | |||
| VOE 14213154 | Marking strip | 1 | |||
| VOE 14213153 | Marking strip | 1 | |||
| VOE 14211858 | Кольцо уплотнительное | 1 | |||
| VOE 14211858 | Кольцо уплотнительное | 1 | |||
| 10 | VOE 14012393 | 14012393 | 1 | ||
| 11 | VOE 14245628 | Hydraulic hose | 1 | ||
| 12 | VOE 14012404 | 14012404 | 1 | ||
| 12 | VOE 14012404 | Фиттинг | 1 | ||
| 13 | VOE 13964090 | Closure | 1 | ||
| 13 | VOE 13964090 | Closure | 1 | ||
| 14 | VOE 14012452 | Гайка | 1 | ||
| 14 | VOE 14012452 | Гайка | 1 | ||
| 15 | VOE 14260242 | Hydraulic hose | 1 |
MARKED 54
|
|
| 16 | VOE 14041980 | Hydraulic hose | 1 |
MARKED 53
|
|
| 16 | VOE 14041980 | Hydraulic hose | 1 |
MARKED 53
|
|
| 17 | VOE 14263245 | Hydraulic hose | 1 | ||
| 17 | VOE 14263245 | Hydraulic hose | 1 | ||
| 18 | VOE 14265073 | Hydraulic hose | 1 | ||
| 2 | VOE 14236021 | Pressure limiting valve | 1 | ||
| 2 | VOE 14236021 | Pressure limiting valve | 1 | ||
| 20 | VOE 13945444 | Болт | 1 | ||
| 20 | VOE 13945444 | Screw | 1 | ||
| 21 | VOE 14213492 | Blind rivet nut | 1 | ||
| 21 | VOE 14213492 | Blind rivet nut | 1 | ||
| 3 | VOE 14021159 | Кольцо уплотнительное (О-кольцо) | 1 | ||
| 3 | VOE 14021159 | Кольцо уплотнительное (О-кольцо) | 1 | ||
| 4 | VOE 13941747 | Болт | 1 | ||
| 4 | VOE 13941747 | Болт | 1 | ||
| 5 | VOE 14012413 | 14012413 | 1 | ||
| 6 | VOE 14012423 | 14012423 | 1 | ||
| 7 | VOE 14012383 | 14012383 | 1 | ||
| 8 | VOE 14012391 | 14012391 | 1 | ||
| 9 | VOE 14052740 | 14052740 | 1 |

