Servo hydraulics, boom экскаватора Volvo Construction Equipment EC230B ?KERMAN ?KERMAN EC230B
Servo hydraulics, boom экскаватора Volvo Construction Equipment EC230B ?KERMAN ?KERMAN EC230B со списком деталей и комплектацией. Каждую деталь можно приобрести в наличии и под заказ с дотавкой по всей России
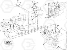
Код подсистемы:34665
Наименование:Servo hydraulics, boom
Версия:
Servo hydraulics, boom EC230B ?KERMAN ?KERMAN EC230B
| Поз. | Код | Наименование | Кол | Прим. | |
|---|---|---|---|---|---|
| VOE 14213123 | Marking strip | 1 | |||
| VOE 14213123 | Marking strip | 1 | |||
| VOE 14211856 | Кольцо уплотнительное | 1 | |||
| VOE 14211856 | Кольцо уплотнительное | 1 | |||
| VOE 14211899 | Кольцо уплотнительное (О-кольцо) | 1 | |||
| VOE 14213124 | Marking strip | 1 | |||
| VOE 14213124 | Marking strip | 1 | |||
| 10 | VOE 14023056 | 14023056 | 1 | ||
| 11 | VOE 14012479 | Фиттинг | 1 | ||
| 11 | VOE 14012479 | 14012479 | 1 | ||
| 12 | VOE 14249355 | Tube Assembly | 1 | ||
| 14 | VOE 14249357 | Tube Assembly | 1 | ||
| 16 | VOE 14054604 | Hydraulic hose | 1 | ||
| 17 | VOE 14249356 | Tube Assembly | 1 | ||
| 18 | VOE 14012391 | 14012391 | 1 | ||
| 19 | VOE 14012383 | 14012383 | 1 | ||
| 2 | VOE 14259605 | Nipple | 1 | ||
| 2 | VOE 14259605 | Nipple | 1 | ||
| 20 | VOE 14232258 | Hydraulic hose | 1 | ||
| 20 | VOE 14232258 | Hydraulic hose | 1 | ||
| 21 | VOE 14237329 | Hydraulic hose | 1 | ||
| 21 | VOE 14237329 | Hydraulic hose | 1 | ||
| 23 | VOE 14012387 | 14012387 | 1 | ||
| 3 | VOE 14250298 | Hydraulic hose | 1 |
Marked 24
|
|
| 3 | VOE 14250298 | Hydraulic hose | 1 |
Marked 24
|
|
| 5 | VOE 14250298 | Hydraulic hose | 1 |
Marked 23
|
|
| 5 | VOE 14250298 | Hydraulic hose | 1 |
Marked 23
|
|
| 7 | VOE 14012413 | 14012413 | 1 | ||
| 8 | VOE 14054604 | Hydraulic hose | 1 |

