Heater, diesel экскаватора Volvo Construction Equipment EC450 ?KERMAN ?KERMAN EC450 SER NO - 1781
Heater, diesel экскаватора Volvo Construction Equipment EC450 ?KERMAN ?KERMAN EC450 SER NO - 1781 со списком деталей и комплектацией. Каждую деталь можно приобрести в наличии и под заказ с дотавкой по всей России
Код подсистемы:32393
Наименование:Heater, diesel
Версия:14263594
Heater, diesel EC450 ?KERMAN ?KERMAN EC450 SER NO - 1781
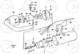
| Поз. | Код | Наименование | Кол | Прим. | |
|---|---|---|---|---|---|
| VOE 3728425 | Service Kit | 1 | |||
| VOE 3728690 | Heater | 1 | |||
| VOE 3728690 | Heater | 1 | |||
| 10 | VOE 3716109 | Socket | 1 | ||
| 11 | VOE 3716340 | Spacer Sleeve | 1 |
L = 5,5
|
|
| 12 | VOE 3711234 | Fuel Nozzle | 1 | ||
| 13 | VOE 3713881 | Turbulator | 1 | ||
| 15 | VOE 3714220 | Трубка | 1 | ||
| 15 | VOE 3714220 | Трубка | 1 | ||
| 16 | VOE 13976969 | Кольцо уплотнительное (О-кольцо) | 1 | ||
| 16 | VOE 13976969 | Кольцо уплотнительное (О-кольцо) | 1 | ||
| 19 | VOE 3728733 | 3728733 | 1 | ||
| 20 | VOE 3716116 | Fan Wheel | 1 | ||
| 21 | VOE 3711687 | Гайка | 1 |
M4 X 4,5
|
|
| 23 | VOE 942603 | Lock Washer | 1 | ||
| 23 | VOE 942603 | Стопорная шайба (кольцо) | 1 | ||
| 24 | VOE 3714201 | Fan Shroud | 1 | ||
| 26 | VOE 941266 | Пробка (заглушка) | 1 | ||
| 26 | VOE 941266 | Пробка (заглушка) | 1 | ||
| 27 | VOE 3714208 | Втулка | 1 | ||
| 28 | VOE 3730341 | 3730341 | 1 | ||
| 29 | VOE 11708333 | Cable | 1 | ||
| 3 | VOE 3712729 | Overheat Ptct | 1 | ||
| 30 | VOE 955891 | Шайба | 1 | ||
| 30 | VOE 955891 | Шайба | 1 | ||
| 4 | VOE 3714839 | Термостат | 1 | ||
| 5 | VOE 3713854 | Пружина | 1 | ||
| 6 | VOE 3714078 | Шайба | 1 |

