Electrical distribution box экскаватора Volvo Construction Equipment EC130C ?KERMAN ?KERMAN EC130C SER NO - 220
Electrical distribution box экскаватора Volvo Construction Equipment EC130C ?KERMAN ?KERMAN EC130C SER NO - 220 со списком деталей и комплектацией. Каждую деталь можно приобрести в наличии и под заказ с дотавкой по всей России
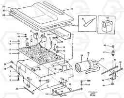
Код подсистемы:625
Наименование:Electrical distribution box
Версия:
Electrical distribution box EC130C ?KERMAN ?KERMAN EC130C SER NO - 220
| Поз. | Код | Наименование | Кол | Прим. | |
|---|---|---|---|---|---|
| VOE 14267639 | Electrical Distr Unit | 1 | |||
| 1 | VOE 14248716 | 14248716 | 1 | ||
| 11 | VOE 14213259 | Attachment | 1 | ||
| 12 | VOE 14254864 | Current bar | 1 | ||
| 13 | VOE 13955295 | Болт | 1 | ||
| 13 | VOE 13955295 | Болт | 1 | ||
| 14 | VOE 14346666 | Battery cable | 1 | ||
| 15 | VOE 14251988 | Current bar | 1 | ||
| 16 | VOE 14252073 | Вставка | 1 | ||
| 17 | VOE 14216006 | Уплотнительная втулка | 1 | ||
| 18 | VOE 14216013 | Гайка | 1 | ||
| 19 | VOE 955297 | Винт шестигранник | 1 | ||
| 19 | VOE 955297 | Винт шестигранник | 1 | ||
| 19B | VOE 940199 | Винт шестигранник | 1 | ||
| 19B | VOE 940199 | Винт шестигранник | 1 | ||
| 20 | VOE 13955894 | Шайба | 1 | ||
| 20 | VOE 13955894 | Шайба | 1 | ||
| 21 | VOE 14024153 | Adhesive | 1 | ||
| 21 | VOE 14024153 | Adhesive | 1 | ||
| 22 | VOE 14248717 | Крышка | 1 | ||
| 22 | VOE 14248717 | Cover | 1 | ||
| 23 | VOE 14213013 | Cell Rbr Mould | 1 |
L = 370MM
|
|
| 23 | VOE 14213013 | Cell Rbr Mould | 1 |
L = 56MM
|
|
| 23 | VOE 14213013 | Cell Rbr Mould | 1 |
L = 292MM
|
|
| 23 | VOE 14213013 | Cell Rbr Mould | 1 |
L = 334MM
|
|
| 23 | VOE 14213013 | Cell Rbr Mould | 1 |
L = 394MM
|
|
| 24 | VOE 14245435 | Attachment | 1 | ||
| 25 | VOE 14102805 | Болт | 1 | ||
| 25 | VOE 14102805 | Болт | 1 | ||
| 26 | VOE 955893 | Шайба | 1 | ||
| 26 | VOE 955893 | Шайба | 1 | ||
| 27 | VOE 13955781 | Гайка | 1 | ||
| 27 | VOE 13955781 | Гайка | 1 | ||
| 28 | VOE 14214101 | Square neck screw | 1 | ||
| 29 | VOE 13955295 | Болт | 1 | ||
| 29 | VOE 13955295 | Болт | 1 | ||
| 3 | VOE 14257464 | Болт | 1 | ||
| 30 | VOE 13955894 | Шайба | 1 | ||
| 30 | VOE 13955894 | Шайба | 1 | ||
| 31 | VOE 955782 | Hexagon nut | 1 | ||
| 31 | VOE 955782 | Hexagon nut | 1 | ||
| 32 | VOE 14213026 | Attachment | 1 | ||
| 33 | VOE 14016673 | Strip clamp | 1 |
L = 200MM
|
|
| 33 | VOE 14016673 | Strip clamp | 1 |
L = 200MM
|
|
| 34 | VOE 14254868 | Cable Covering | 1 | ||
| 35 | VOE 4881440 | Cable tie | 1 |
L = 385MM
|
|
| 35 | VOE 4881440 | Cable tie | 1 |
L = 385MM
|
|
| 36 | VOE 14249251 | Тарелка клапана | 1 | ||
| 36 | VOE 14249251 | Тарелка клапана | 1 | ||
| 37 | VOE 14212967 | Rubber damper | 1 | ||
| 37 | VOE 14212967 | Rubber damper | 1 | ||
| 38 | VOE 13955781 | Гайка | 1 | ||
| 38 | VOE 13955781 | Гайка | 1 | ||
| 39 | VOE 4881440 | Cable tie | 1 |
L = 385MM
|
|
| 39 | VOE 4881440 | Cable tie | 1 |
L = 385MM
|
|
| 4 | VOE 14216030 | Nylon Washer | 1 | ||
| 40 | VOE 14213260 | Strip clamp | 1 |
L = 390MM
|
|
| 40 | VOE 14213260 | Strip clamp | 1 |
L = 390MM
|
|
| 41 | VOE 13955781 | Гайка | 1 | ||
| 41 | VOE 13955781 | Гайка | 1 | ||
| 42 | VOE 955893 | Шайба | 1 | ||
| 42 | VOE 955893 | Шайба | 1 | ||
| 43 | VOE 14267947 | 14267947 | 1 | ||
| 43 | VOE 14258163 | 14258163 | 1 | ||
| 44 | VOE 948295 | Insulator | 1 | ||
| 44 | VOE 948295 | Изолятор | 1 | ||
| 5 | VOE 14216029 | Гайка с нейлоновой вставкой | 1 |

