Pump installation экскаватора Volvo Construction Equipment EC130C ?KERMAN ?KERMAN EC130C SER NO - 220
Pump installation экскаватора Volvo Construction Equipment EC130C ?KERMAN ?KERMAN EC130C SER NO - 220 со списком деталей и комплектацией. Каждую деталь можно приобрести в наличии и под заказ с дотавкой по всей России
Код подсистемы:85700
Наименование:Pump installation
Версия:
Pump installation EC130C ?KERMAN ?KERMAN EC130C SER NO - 220
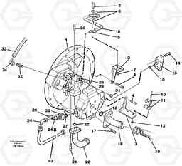
| Поз. | Код | Наименование | Кол | Прим. | |
|---|---|---|---|---|---|
| 10 | VOE 13970958 | Винт шестигранник | 1 | ||
| 10 | VOE 13970958 | Винт шестигранник | 1 | ||
| 11 | VOE 14042498 | Tube Clamp | 1 | ||
| 12 | VOE 971071 | Hexagon nut | 1 | ||
| 12 | VOE 971071 | Hexagon nut | 1 | ||
| 13 | VOE 14267688 | Junction | 1 | ||
| 14 | VOE 13970958 | Винт шестигранник | 1 | ||
| 14 | VOE 13970958 | Винт шестигранник | 1 | ||
| 15 | VOE 990742 | Кольцо уплотнительное (О-кольцо) | 1 | ||
| 15 | VOE 990742 | Кольцо уплотнительное (О-кольцо) | 1 | ||
| 16 | VOE 14267196 | Hose connection | 1 | ||
| 16 | VOE 14267196 | Hose connection | 1 | ||
| 17 | VOE 955365 | Винт шестигранник | 1 | ||
| 17 | VOE 955365 | Винт шестигранник | 1 | ||
| 18 | VOE 925078 | Кольцо уплотнительное (О-кольцо) | 1 | ||
| 18 | VOE 925078 | Кольцо уплотнительное (О-кольцо) | 1 | ||
| 2 | VOE 14268238 | Кронштейн | 1 | ||
| 20 | VOE 14268197 | Suction pipe | 1 | ||
| 21 | VOE 959256 | Allen Hd Screw | 1 | ||
| 22 | VOE 925091 | Кольцо уплотнительное (О-кольцо) | 1 | ||
| 22 | VOE 925091 | Кольцо уплотнительное (О-кольцо) | 1 | ||
| 23 | VOE 959240 | Allen Hd Screw | 1 |
SER NO -515
|
|
| 23 | VOE 14342344 | Трубка | 1 |
SER NO 516-
|
|
| 24 | VOE 14012398 | 14012398 | 1 |
SER NO 516-
|
|
| 24 | VOE 14215425 | 14215425 | 1 |
SER NO -515
|
|
| 24B | VOE 14342397 | 14342397 | 1 |
SER NO 516-
|
|
| 25 | VOE 935312 | Flange half | 1 | ||
| 25 | VOE 935312 | Flange half | 1 | ||
| 26 | VOE 13970949 | Винт шестигранник | 1 | ||
| 26 | VOE 13970949 | Винт шестигранник | 1 | ||
| 27 | VOE 990742 | Кольцо уплотнительное (О-кольцо) | 1 | ||
| 27 | VOE 990742 | Кольцо уплотнительное (О-кольцо) | 1 | ||
| 28 | VOE 14268194 | Junction | 1 | ||
| 29 | VOE 14215715 | Кольцо уплотнительное | 1 | ||
| 29 | VOE 14215715 | Кольцо уплотнительное | 1 | ||
| 3 | VOE 14268237 | Кронштейн | 1 | ||
| 30 | VOE 13970954 | Винт шестигранник | 1 | ||
| 30 | VOE 13970954 | Винт шестигранник | 1 | ||
| 31 | VOE 14211625 | Tube Plug | 1 | ||
| 32 | VOE 14214505 | 14214505 | 1 | ||
| 33 | VOE 14233336 | Hydraulic hose | 1 | ||
| 33 | VOE 14233336 | Hydraulic hose | 1 | ||
| 34 | VOE 14012395 | 14012395 | 1 | ||
| 4 | VOE 14216075 | Болт | 1 | ||
| 5 | VOE 13970956 | Винт шестигранник | 1 | ||
| 5 | VOE 13970956 | Винт шестигранник | 1 | ||
| 6 | VOE 14237233 | Tube Clamp | 1 | ||
| 7 | VOE 971071 | Hexagon nut | 1 | ||
| 7 | VOE 971071 | Hexagon nut | 1 | ||
| 8 | VOE 14267483 | Трубка | 1 | ||
| 9 | VOE 14012428 | 14012428 | 1 |

