Cab heater with fitting parts экскаватора Volvo Construction Equipment EW130C ?KERMAN ?KERMAN EW130C SER NO - 583
Cab heater with fitting parts экскаватора Volvo Construction Equipment EW130C ?KERMAN ?KERMAN EW130C SER NO - 583 со списком деталей и комплектацией. Каждую деталь можно приобрести в наличии и под заказ с дотавкой по всей России
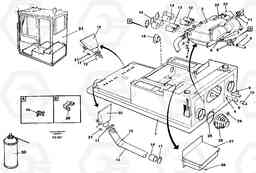
Код подсистемы:84216
Наименование:Cab heater with fitting parts
Версия:
Cab heater with fitting parts EW130C ?KERMAN ?KERMAN EW130C SER NO - 583
| Поз. | Код | Наименование | Кол | Прим. | |
|---|---|---|---|---|---|
| 10 | VOE 14268039 | Tape | 1 | ||
| 11 | VOE 943368 | Шланг | 1 |
L = 4900MM
|
|
| 11 | VOE 943368 | Шланг | 1 |
L = 4900MM
|
|
| 12 | VOE 14245574 | Шланг | 1 |
L = 900MM
|
|
| 13 | VOE 14245575 | Шланг | 1 |
L = 1350MM
|
|
| 13 | VOE 14245575 | Шланг | 1 |
L = 1350MM
|
|
| 14 | VOE 14245597 | Cell Rbr Mould | 1 | ||
| 15 | VOE 14213259 | Attachment | 1 | ||
| 16 | VOE 14213260 | Strip clamp | 1 | ||
| 16 | VOE 14213260 | Strip clamp | 1 | ||
| 17 | VOE 943480 | Hose clamp | 1 | ||
| 17 | VOE 943480 | Hose clamp | 1 | ||
| 18 | VOE 14212964 | Air outlet | 1 | ||
| 18 | VOE 14212964 | Air outlet | 1 | ||
| 19 | VOE 14244012 | Dfr Outlet | 1 | ||
| 20 | VOE 14244013 | Dfr Outlet | 1 | ||
| 21 | VOE 13946501 | Болт | 1 | ||
| 21 | VOE 13946501 | Болт | 1 | ||
| 22 | VOE 14245573 | Шланг | 1 |
L = 600MM
|
|
| 22 | VOE 14245573 | Шланг | 1 |
L = 600MM
|
|
| 23 | VOE 943480 | Hose clamp | 1 | ||
| 23 | VOE 943480 | Hose clamp | 1 | ||
| 24 | VOE 14016479 | Уплотнительная втулка | 1 | ||
| 25 | VOE 14040805 | Rubber bellows | 1 | ||
| 26 | VOE 949902 | Cable tie | 1 | ||
| 26 | VOE 949902 | Cable tie | 1 | ||
| 27 | VOE 14244039 | Duct | 1 | ||
| 28 | VOE 13946501 | Болт | 1 | ||
| 28 | VOE 13946501 | Болт | 1 | ||
| 29 | VOE 14211164 | Зажим | 1 | ||
| 29 | VOE 14211164 | Зажим | 1 | ||
| 3 | VOE 14212967 | Rubber damper | 1 | ||
| 3 | VOE 14212967 | Rubber damper | 1 | ||
| 30 | VOE 14212094 | Grease Spray | 1 | ||
| 4 | VOE 14015039 | Гайка | 1 | ||
| 4 | VOE 14015039 | Гайка | 1 | ||
| 5 | VOE 14245439 | Hose bend | 1 | ||
| 6 | VOE 14211163 | Клапан регулирующий (распределительный) | 1 | ||
| 7 | VOE 13943472 | Hose clamp | 1 | ||
| 8 | VOE 943368 | Шланг | 1 |
L = 4900MM
|
|
| 8 | VOE 943368 | Шланг | 1 |
L = 4900MM
|
|
| 9 | VOE 14211158 | Rubber sleeve | 1 |

