Cable harness, side panel, right экскаватора Volvo Construction Equipment EW150C ?KERMAN ?KERMAN EW150C SER NO - 688
Cable harness, side panel, right экскаватора Volvo Construction Equipment EW150C ?KERMAN ?KERMAN EW150C SER NO - 688 со списком деталей и комплектацией. Каждую деталь можно приобрести в наличии и под заказ с дотавкой по всей России
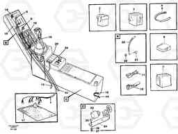
Код подсистемы:54039
Наименование:Cable harness, side panel, right
Версия:
Cable harness, side panel, right EW150C ?KERMAN ?KERMAN EW150C SER NO - 688
| Поз. | Код | Наименование | Кол | Прим. | |
|---|---|---|---|---|---|
| 1 | VOE 14252877 | 14252877 | 1 | ||
| 10 | VOE 14256456 | 14256456 | 1 | ||
| 11 | VOE 949489 | Cable terminal | 1 | ||
| 11 | VOE 949489 | Cable terminal | 1 | ||
| 12 | VOE 965824 | Cable terminal | 1 | ||
| 12 | VOE 965824 | Cable terminal | 1 | ||
| 13 | VOE 14247018 | Cable | 1 | ||
| 14 | VOE 14254112 | Earth connector | 1 | ||
| 14 | VOE 14254112 | Earth connector | 1 | ||
| 15 | VOE 940199 | Винт шестигранник | 1 | ||
| 15 | VOE 940199 | Винт шестигранник | 1 | ||
| 19 | VOE 14343428 | Display | 1 | ||
| 2 | VOE 948295 | Insulator | 1 | ||
| 2 | VOE 948295 | Изолятор | 1 | ||
| 20 | VOE 14254112 | Earth connector | 1 | ||
| 20 | VOE 14254112 | Earth connector | 1 | ||
| 21 | VOE 13955294 | Болт | 1 | ||
| 21 | VOE 13955294 | Болт | 1 | ||
| 22 | VOE 955782 | Hexagon nut | 1 | ||
| 22 | VOE 955782 | Hexagon nut | 1 | ||
| 23 | VOE 14215168 | Buzzer | 1 | ||
| 23 | VOE 14215168 | Buzzer | 1 | ||
| 24 | VOE 14256007 | Attachment | 1 | ||
| 25 | VOE 14043513 | Болт | 1 | ||
| 25 | VOE 14043513 | Болт | 1 | ||
| 26 | VOE 13940090 | Шайба | 1 | ||
| 26 | VOE 13940090 | Шайба | 1 | ||
| 27 | VOE 955780 | Hexagon nut | 1 | ||
| 27 | VOE 955780 | Hexagon nut | 1 | ||
| 3 | VOE 948294 | Изолятор | 1 | ||
| 3 | VOE 948294 | Изолятор | 1 | ||
| 4 | VOE 14016673 | Strip clamp | 1 |
L = 200mm
|
|
| 4 | VOE 14016673 | Strip clamp | 1 |
L = 200mm
|
|
| 5 | VOE 14016673 | Strip clamp | 1 |
L = 95mm
|
|
| 5 | VOE 14016673 | Strip clamp | 1 |
L = 95mm
|
|
| 6 | VOE 948296 | Картер (корпус) | 1 | ||
| 6 | VOE 948296 | Изолятор | 1 | ||
| 7 | VOE 4803454 | Receptacle housing | 1 | ||
| 7 | VOE 4803454 | Receptacle housing | 1 | ||
| 8 | VOE 14214927 | Plug Housing | 1 | ||
| 9 | VOE 14214990 | Plug Housing | 1 |

