Pump control экскаватора Volvo Construction Equipment EC340 SER NO 1001-
Pump control экскаватора Volvo Construction Equipment EC340 SER NO 1001- со списком деталей и комплектацией. Каждую деталь можно приобрести в наличии и под заказ с дотавкой по всей России
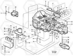
Код подсистемы:67837
Наименование:Pump control
Версия:
Pump control EC340 SER NO 1001-
| Поз. | Код | Наименование | Кол | Прим. | |
|---|---|---|---|---|---|
| 10 | VOE 14263566 | Hydraulic hose | 1 | ||
| 11 | VOE 14263566 | Hydraulic hose | 1 | ||
| 12 | VOE 14211623 | Plug | 1 | ||
| 12 | VOE 14211623 | Пробка (заглушка) | 1 | ||
| 13 | VOE 14263566 | Hydraulic hose | 1 | ||
| 14 | VOE 14100430 | 14100430 | 1 | ||
| 15 | VOE 14052740 | 14052740 | 1 | ||
| 16 | VOE 14012393 | 14012393 | 1 | ||
| 17 | VOE 14263566 | Hydraulic hose | 1 | ||
| 18 | VOE 14250313 | Hydraulic hose | 1 | ||
| 20 | VOE 14263262 | Hydraulic hose | 1 | ||
| 20 | VOE 14263262 | Hydraulic hose | 1 | ||
| 21 | VOE 14100430 | 14100430 | 1 | ||
| 22 | VOE 14263262 | Hydraulic hose | 1 | ||
| 22 | VOE 14263262 | Hydraulic hose | 1 | ||
| 23 | VOE 14012395 | 14012395 | 1 | ||
| 25 | VOE 14100430 | 14100430 | 1 | ||
| 26 | VOE 14211856 | Кольцо уплотнительное | 1 | ||
| 26 | VOE 14211856 | Кольцо уплотнительное | 1 | ||
| 27 | VOE 14012393 | 14012393 | 1 | ||
| 28 | VOE 14211900 | Кольцо уплотнительное (О-кольцо) | 1 | ||
| 29 | VOE 14260245 | Hydraulic hose | 1 | ||
| 29 | VOE 14260245 | Hydraulic hose | 1 | ||
| 3 | VOE 14341848 | Connection block | 1 | ||
| 30 | VOE 14012424 | 14012424 | 1 | ||
| 31 | VOE 14211863 | Кольцо уплотнительное | 1 | ||
| 31 | VOE 14211863 | Кольцо уплотнительное | 1 | ||
| 32 | VOE 14213276 | 14213276 | 1 | ||
| 33 | VOE 14213279 | Кольцо уплотнительное (О-кольцо) | 1 | ||
| 34 | VOE 14264382 | Hydraulic hose | 1 | ||
| 35 | VOE 14012388 | 14012388 | 1 | ||
| 36 | VOE 14260323 | Hydraulic hose | 1 | ||
| 37 | VOE 14263566 | Hydraulic hose | 1 | ||
| 38 | VOE 14214505 | 14214505 | 1 | ||
| 4 | VOE 13946934 | Болт | 1 | ||
| 4 | VOE 13946934 | Болт | 1 | ||
| 5 | VOE 14342035 | Кронштейн | 1 | ||
| 6 | VOE 14056270 | Hydraulic hose | 1 | ||
| 6 | VOE 14056270 | Hydraulic hose | 1 | ||
| 7 | VOE 14012424 | 14012424 | 1 | ||
| 8 | VOE 14100430 | 14100430 | 1 | ||
| 9 | VOE 14265073 | Hydraulic hose | 1 |

