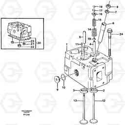
Головка блока цилиндров экскаватора Volvo Construction Equipment EC340 SER NO 1001-
Головка блока цилиндров экскаватора Volvo Construction Equipment EC340 SER NO 1001- со списком деталей и комплектацией. Каждую деталь можно приобрести в наличии и под заказ с дотавкой по всей России
Код подсистемы:68148
Наименование:Cylinder head
Версия:
Cylinder head EC340 SER NO 1001-
| Поз. | Код | Наименование | Кол | Прим. | |
|---|---|---|---|---|---|
| VOE 1545885 | Valve seat | 1 |
0,2 O SZ
|
||
| VOE 1545885 | Valve seat | 1 |
0,2 O SZ
|
||
| VOE 467590 | Valve seat | 1 |
0,2 O SZ
|
||
| VOE 467590 | Valve seat | 1 |
0,2 O SZ
|
||
| VOE 270946 | Ремкомплект | 1 | |||
| VOE 270946 | Ремкомплект | 1 | |||
| 1 | VOE 8194452 | Головка блока цилиндров | 1 | ||
| 10 | VOE 469327 | Прокладка | 1 | ||
| 10 | VOE 469327 | Прокладка | 1 | ||
| 11 | VOE 14025455 | цилиндр контактный | 1 | ||
| 12 | VOE 479204 | Клапан впускной | 1 | ||
| 12 | VOE 479204 | Клапан впускной | 1 | ||
| 13 | VOE 467855 | Клапан выпускной | 1 | ||
| 13 | VOE 467855 | Клапан выпускной | 1 | ||
| 14 | VOE 467334 | Пружина клапана | 1 | ||
| 14 | VOE 467334 | Пружина клапана | 1 | ||
| 15 | VOE 467335 | Пружина клапана | 1 | ||
| 15 | VOE 467335 | Пружина клапана | 1 | ||
| 16 | VOE 467506 | Шайба | 1 | ||
| 16 | VOE 467506 | Шайба | 1 | ||
| 17 | VOE 468305 | Valve Collet | 1 | ||
| 18 | VOE 478074 | Valve Cap | 1 | ||
| 18 | VOE 478074 | Valve Cap | 1 | ||
| 19 | VOE 417135 | Protecting Ring | 1 | ||
| 19 | VOE 417135 | Protecting Ring | 1 | ||
| 2 | VOE 467474 | Valve seat | 1 |
STD D
|
|
| 2 | VOE 467474 | Valve seat | 1 |
STD D
|
|
| 20 | VOE 270789 | Gasket Kit | 1 | ||
| 20 | VOE 270789 | Gasket Kit | 1 | ||
| 21 | VOE 422413 | Кольцо уплотнительное | 1 |
D = 11
|
|
| 21 | VOE 422413 | Кольцо уплотнительное | 1 |
D = 11
|
|
| 22 | VOE 422414 | Кольцо уплотнительное | 1 |
D = 32
|
|
| 22 | VOE 422414 | Кольцо уплотнительное | 1 |
D = 32
|
|
| 23 | VOE 422415 | Кольцо уплотнительное | 1 |
D = 18
|
|
| 23 | VOE 422415 | Кольцо уплотнительное | 1 |
D = 18
|
|
| 24 | VOE 422086 | Болт | 1 | ||
| 24 | VOE 422086 | Болт | 1 | ||
| 3 | VOE 1545886 | Valve seat | 1 |
STD D, (11987041)
|
|
| 3 | VOE 1545886 | Valve seat | 1 |
STD D, (11987041)
|
|
| 4 | VOE 1545135 | Valve Guide | 1 | ||
| 4 | VOE 1545135 | Valve Guide | 1 | ||
| 5 | VOE 1545135 | Valve Guide | 1 | ||
| 5 | VOE 1545135 | Valve Guide | 1 | ||
| 6 | VOE 479163 | Втулка (распорная) | 1 | ||
| 6 | VOE 479163 | Втулка (распорная) | 1 | ||
| 7 | VOE 466420 | Кольцо | 1 | ||
| 7 | VOE 466420 | Кольцо | 1 | ||
| 8 | VOE 466405 | Кольцо уплотнительное | 1 | ||
| 8 | VOE 466405 | Кольцо уплотнительное | 1 | ||
| 9 | VOE 467365 | Пробка (заглушка) | 1 | ||
| 9 | VOE 467365 | Пробка (заглушка) | 1 |

