Smoke limiter экскаватора Volvo Construction Equipment EC340 SER NO 1001-
Smoke limiter экскаватора Volvo Construction Equipment EC340 SER NO 1001- со списком деталей и комплектацией. Каждую деталь можно приобрести в наличии и под заказ с дотавкой по всей России
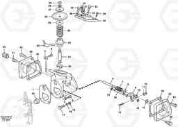
Код подсистемы:75711
Наименование:Smoke limiter
Версия:
Smoke limiter EC340 SER NO 1001-
| Поз. | Код | Наименование | Кол | Прим. | |
|---|---|---|---|---|---|
| VOE 11702287 | Smoke Limiter | 1 | |||
| 1 | VOE 1698172 | Прокладка | 1 | ||
| 1 | VOE 1698172 | Прокладка | 1 | ||
| 10 | VOE 243827 | Болт | 1 | ||
| 10 | VOE 243827 | Болт | 1 | ||
| 11 | VOE 13949607 | Шайба | 1 |
(949607)
|
|
| 11 | VOE 13949607 | Шайба | 1 |
(949607)
|
|
| 12 | VOE 940197 | Hexagon nut | 1 | ||
| 12 | VOE 940197 | Hexagon nut | 1 | ||
| 13 | VOE 13951669 | Retaining ring | 1 |
(951669)
|
|
| 13 | VOE 13951669 | Retaining ring | 1 |
(951669)
|
|
| 14 | VOE 6210700 | Spacer ring | 1 | ||
| 15 | VOE 241788 | Палец | 1 | ||
| 16 | VOE 951667 | Retaining ring | 1 | ||
| 16 | VOE 951667 | Retaining ring | 1 | ||
| 17 | VOE 863823 | Болт | 1 | ||
| 17 | VOE 863823 | Болт | 1 | ||
| 18 | VOE 940197 | Hexagon nut | 1 | ||
| 18 | VOE 940197 | Hexagon nut | 1 | ||
| 19 | VOE 13949607 | Шайба | 1 |
(949607)
|
|
| 19 | VOE 13949607 | Шайба | 1 |
(949607)
|
|
| 2 | VOE 6638096 | Болт | 1 | ||
| 2 | VOE 6638096 | Болт | 1 | ||
| 20 | VOE 241780 | Yoke | 1 | ||
| 20 | VOE 241780 | Вилка | 1 | ||
| 21 | VOE 3097349 | Control rod | 1 | ||
| 22 | VOE 244740 | Bushing | 1 | ||
| 22 | VOE 244740 | Втулка | 1 | ||
| 23 | VOE 837741 | Spring | 1 | ||
| 23 | VOE 837741 | Пружина | 1 | ||
| 24 | VOE 1698895 | Пружина | 1 | ||
| 25 | VOE 1698890 | Шайба | 1 | ||
| 27 | VOE 1698888 | Шайба | 1 | ||
| 29 | VOE 3094399 | Гайка | 1 | ||
| 3 | VOE 13949607 | Шайба | 1 |
(949607)
|
|
| 3 | VOE 13949607 | Шайба | 1 |
(949607)
|
|
| 30 | VOE 1698883 | Крышка | 1 | ||
| 31 | VOE 3097348 | Втулка | 1 | ||
| 32 | VOE 1698885 | Screw | 1 | ||
| 32 | VOE 1698885 | Болт | 1 | ||
| 33 | VOE 7011991 | Прокладка | 1 | ||
| 33 | VOE 7011991 | Прокладка | 1 | ||
| 34 | VOE 1699098 | Болт | 1 | ||
| 35 | VOE 848745 | Болт | 1 | ||
| 36 | VOE 13949607 | Шайба | 1 |
(949607)
|
|
| 36 | VOE 13949607 | Шайба | 1 |
(949607)
|
|
| 38 | VOE 241789 | Крышка | 1 | ||
| 39 | VOE 241791 | Крышка | 1 | ||
| 39 | VOE 241791 | Крышка | 1 | ||
| 4 | VOE 849518 | Болт | 1 | ||
| 4 | VOE 849518 | Болт | 1 | ||
| 40 | VOE 1698171 | Прокладка | 1 | ||
| 40 | VOE 1698171 | Прокладка | 1 | ||
| 41 | VOE 847452 | Болт | 1 | ||
| 41 | VOE 847452 | Болт | 1 | ||
| 42 | VOE 243140 | Болт | 1 | ||
| 42 | VOE 243140 | Болт | 1 | ||
| 43 | VOE 241792 | Bellows | 1 | ||
| 43 | VOE 241792 | Bellows | 1 | ||
| 44 | VOE 240120 | Втулка | 1 | ||
| 5 | VOE 241794 | Шайба | 1 | ||
| 6 | VOE 243889 | Вал | 1 | ||
| 7 | VOE 241787 | Пружина | 1 | ||
| 8 | VOE 233816 | Шайба | 1 | ||
| 8 | VOE 233816 | Шайба | 1 | ||
| 9 | VOE 241782 | 241782 | 1 |

