Diesel heater экскаватора Volvo Construction Equipment EC390 SER NO 1001-
Diesel heater экскаватора Volvo Construction Equipment EC390 SER NO 1001- со списком деталей и комплектацией. Каждую деталь можно приобрести в наличии и под заказ с дотавкой по всей России
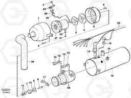
Код подсистемы:31441
Наименование:Diesel heater
Версия:14266766
Diesel heater EC390 SER NO 1001-
| Поз. | Код | Наименование | Кол | Прим. | |
|---|---|---|---|---|---|
| VOE 3729357 | Diesel heater | 1 | |||
| 10 | VOE 3713882 | Spacer Sleeve | 1 | ||
| 11 | VOE 955891 | Шайба | 1 | ||
| 11 | VOE 955891 | Шайба | 1 | ||
| 12 | VOE 3713854 | Пружина | 1 | ||
| 13 | VOE 3712729 | Overheat Ptct | 1 | ||
| 14 | VOE 3714839 | Термостат | 1 | ||
| 15 | VOE 3730341 | 3730341 | 1 | ||
| 16 | VOE 3714208 | Втулка | 1 | ||
| 17 | VOE 3714078 | Шайба | 1 | ||
| 18 | VOE 941266 | Пробка (заглушка) | 1 | ||
| 18 | VOE 941266 | Пробка (заглушка) | 1 | ||
| 19 | VOE 3714939 | Heat exchanger | 1 | ||
| 2 | VOE 14210821 | Болт | 1 | ||
| 2 | VOE 14210821 | Болт | 1 | ||
| 20 | VOE 3714220 | Трубка | 1 | ||
| 20 | VOE 3714220 | Трубка | 1 | ||
| 21 | VOE 3714802 | Болт | 1 | ||
| 22 | VOE 942603 | Lock Washer | 1 | ||
| 22 | VOE 942603 | Стопорная шайба (кольцо) | 1 | ||
| 23 | VOE 3714219 | Wire harness | 1 | ||
| 24 | VOE 3714224 | Anchorage | 1 | ||
| 25 | VOE 3714210 | Combustion chamber | 1 | ||
| 26 | VOE 13976969 | Кольцо уплотнительное (О-кольцо) | 1 | ||
| 26 | VOE 13976969 | Кольцо уплотнительное (О-кольцо) | 1 | ||
| 27 | VOE 3728733 | 3728733 | 1 | ||
| 3 | VOE 3716109 | Socket | 1 | ||
| 4 | VOE 3714212 | Insulating Washer | 1 | ||
| 5 | VOE 3714207 | Установка двигателя | 1 | ||
| 6 | VOE 3714801 | Болт | 1 | ||
| 7 | VOE 3711234 | Fuel Nozzle | 1 | ||
| 8 | VOE 3713881 | Turbulator | 1 | ||
| 9 | VOE 3714229 | Болт | 1 |

