Шайба лобового стекла (ветрового) экскаватора Volvo Construction Equipment EC130C SER NO 221-
Шайба лобового стекла (ветрового) экскаватора Volvo Construction Equipment EC130C SER NO 221- со списком деталей и комплектацией. Каждую деталь можно приобрести в наличии и под заказ с дотавкой по всей России
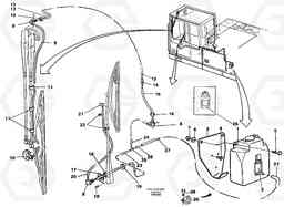
Код подсистемы:51741
Наименование:Windshield washer
Версия:
Windshield washer EC130C SER NO 221-
| Поз. | Код | Наименование | Кол | Прим. | |
|---|---|---|---|---|---|
| 1 | VOE 14262795 | Fluid reservoir | 1 |
3.0 LITRE
|
|
| 10 | VOE 14213365 | Nozzle | 1 | ||
| 11 | VOE 14213367 | Зажим | 1 | ||
| 12 | VOE 192248 | Тарелка клапана | 1 | ||
| 12 | VOE 192248 | Тарелка клапана | 1 | ||
| 13 | VOE 14014211 | Plastic hose | 1 | ||
| 13 | VOE 14014211 | Plastic hose | 1 | ||
| 14 | VOE 1210139 | Non-return valve | 1 | ||
| 14 | VOE 1210139 | Клапан обратный | 1 | ||
| 15 | VOE 1304841 | Шланг | 1 | ||
| 15 | VOE 1304841 | Шланг | 1 | ||
| 16 | VOE 955782 | Hexagon nut | 1 | ||
| 16 | VOE 955782 | Hexagon nut | 1 | ||
| 17 | VOE 14252345 | Тарелка клапана | 1 | ||
| 18 | VOE 14213814 | Болт | 1 | ||
| 18 | VOE 14213814 | Болт | 1 | ||
| 19 | VOE 14014291 | Уплотнительная втулка | 1 | ||
| 19 | VOE 14014291 | Уплотнительная втулка | 1 | ||
| 2 | VOE 4803571 | Washer pump | 1 | ||
| 20 | VOE 14212954 | Rubber hose | 1 | ||
| 21 | VOE 14213366 | Nozzle | 1 | ||
| 22 | VOE 14213368 | Зажим | 1 | ||
| 23 | VOE 14014211 | Plastic hose | 1 | ||
| 23 | VOE 14014211 | Plastic hose | 1 | ||
| 24 | VOE 14014211 | Plastic hose | 1 | ||
| 24 | VOE 14014211 | Plastic hose | 1 | ||
| 25 | VOE 688658 | Трубка | 1 | ||
| 25 | VOE 688658 | Трубка | 1 | ||
| 26 | VOE 14014211 | Plastic hose | 1 |
L = 2300MM
|
|
| 26 | VOE 14014211 | Plastic hose | 1 |
L = 2300MM
|
|
| 27 | VOE 14014146 | Oil hose | 1 |
L = 2000MM
|
|
| 28 | VOE 14261131 | Washer fluid | 1 |
(-20C) 5L
|
|
| 29 | VOE 13946501 | Болт | 1 | ||
| 29 | VOE 13946501 | Болт | 1 | ||
| 3 | VOE 14262965 | 14262965 | 1 | ||
| 30 | VOE 952633 | Зажим | 1 | ||
| 30 | VOE 952633 | Зажим | 1 | ||
| 4 | VOE 14213343 | Болт | 1 | ||
| 5 | VOE 13955247 | Болт | 1 | ||
| 5 | VOE 13955247 | Болт | 1 | ||
| 6 | VOE 13940090 | Шайба | 1 | ||
| 6 | VOE 13940090 | Шайба | 1 | ||
| 7 | VOE 955780 | Hexagon nut | 1 | ||
| 7 | VOE 955780 | Hexagon nut | 1 | ||
| 8 | VOE 14213369 | L-connection | 1 | ||
| 8 | VOE 14213369 | L-connection | 1 | ||
| 9 | VOE 14212954 | Rubber hose | 1 |
L = 90MM
|

