Hose rupture valve, adjustable boom экскаватора Volvo Construction Equipment EW130C SER NO 584-
Hose rupture valve, adjustable boom экскаватора Volvo Construction Equipment EW130C SER NO 584- со списком деталей и комплектацией. Каждую деталь можно приобрести в наличии и под заказ с дотавкой по всей России
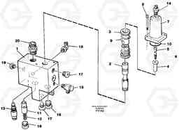
Код подсистемы:45743
Наименование:Hose rupture valve, adjustable boom
Версия:
Hose rupture valve, adjustable boom EW130C SER NO 584-
| Поз. | Код | Наименование | Кол | Прим. | |
|---|---|---|---|---|---|
| VOE 14342852 | Line Brk Valve | 1 | |||
| 1 | VOE 14251259 | Valve housing | 1 | ||
| 10 | VOE 925091 | Кольцо уплотнительное (О-кольцо) | 1 | ||
| 10 | VOE 925091 | Кольцо уплотнительное (О-кольцо) | 1 | ||
| 11 | VOE 14236642 | Peg | 1 | ||
| 12 | VOE 14048993 | Compression spring | 1 | ||
| 13 | VOE 14216055 | Pressure limiting valve | 1 | ||
| 14 | VOE 14012413 | 14012413 | 1 | ||
| 15 | VOE 14026430 | Banjo fitting | 1 | ||
| 16 | VOE 14024233 | Tube Plug | 1 | ||
| 17 | VOE 14023409 | Пробка (заглушка) | 1 | ||
| 17 | VOE 14023409 | Пробка (заглушка) | 1 | ||
| 18 | VOE 14012391 | 14012391 | 1 | ||
| 19 | VOE 14023407 | Пробка (заглушка) | 1 | ||
| 19 | VOE 14023407 | Пробка (заглушка) | 1 | ||
| 2 | VOE 14252929 | Slide | 1 | ||
| 20 | VOE 14215338 | 14215338 | 1 | ||
| 3 | VOE 14236271 | Spring disc | 1 | ||
| 4 | VOE 14236273 | Spacer sleeve | 1 | ||
| 5 | VOE 14023240 | Болт | 1 | ||
| 6 | VOE 14024293 | Locking fluid | 1 | ||
| 6 | VOE 14024293 | Locking fluid | 1 | ||
| 7 | VOE 14236254 | Крышка | 1 | ||
| 8 | VOE 959223 | Allen Hd Screw | 1 | ||
| 9 | VOE 14236272 | Compression spring | 1 |

