Adjustable steering column экскаватора Volvo Construction Equipment EW150C SER NO 689-
Adjustable steering column экскаватора Volvo Construction Equipment EW150C SER NO 689- со списком деталей и комплектацией. Каждую деталь можно приобрести в наличии и под заказ с дотавкой по всей России
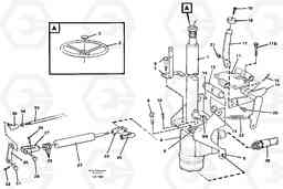
Код подсистемы:44943
Наименование:Adjustable steering column
Версия:
Adjustable steering column EW150C SER NO 689-
| Поз. | Код | Наименование | Кол | Прим. | |
|---|---|---|---|---|---|
| 1 | VOE 14212599 | Рулевая колонка | 1 | ||
| 10 | VOE 14212059 | Болт | 1 | ||
| 11 | VOE 14243191 | 14243191 | 1 | ||
| 11B | VOE 13970948 | Винт шестигранник | 1 | ||
| 11B | VOE 13970948 | Винт шестигранник | 1 | ||
| 12 | VOE 14244273 | 14244273 | 1 | ||
| 13 | VOE 14246727 | Шайба | 1 | ||
| 14 | VOE 14023558 | установочный винт | 1 | ||
| 15 | VOE 14243193 | 14243193 | 1 | ||
| 16 | VOE 907873 | Cotter Pin | 1 | ||
| 17 | VOE 14244955 | Pedal | 1 | ||
| 18 | VOE 14244974 | 14244974 | 1 | ||
| 19 | VOE 14213256 | Болт | 1 | ||
| 19 | VOE 14213256 | Болт | 1 | ||
| 2 | VOE 14212192 | Steering wheel | 1 | ||
| 20 | VOE 13955272 | Болт | 1 | ||
| 20 | VOE 13955272 | Болт | 1 | ||
| 21 | VOE 13963105 | Lock nut | 1 | ||
| 21 | VOE 13963105 | Lock nut | 1 | ||
| 22 | VOE 14054304 | Пружина натяжная | 1 | ||
| 23 | VOE 14215348 | Gas spring | 1 | ||
| 24 | VOE 14212757 | Fork attachment | 1 | ||
| 25 | VOE 14212759 | 14212759 | 1 | ||
| 26 | VOE 976945 | Шайба | 1 | ||
| 26 | VOE 976945 | Шайба | 1 | ||
| 27 | VOE 14243196 | Fork attachment | 1 | ||
| 28 | VOE 14031655 | Pivot pin | 1 | ||
| 29 | VOE 907838 | Cotter Pin | 1 | ||
| 3 | VOE 14024685 | Horn button | 1 | ||
| 30 | VOE 14243195 | 14243195 | 1 | ||
| 31 | VOE 14050800 | Pivot pin | 1 | ||
| 32 | VOE 907838 | Cotter Pin | 1 | ||
| 33 | VOE 14243194 | Опора | 1 | ||
| 34 | VOE 955782 | Hexagon nut | 1 | ||
| 34 | VOE 955782 | Hexagon nut | 1 | ||
| 35 | VOE 14212749 | Angle Link | 1 | ||
| 4 | VOE 14213469 | Клапан регулирующий (распределительный) | 1 | ||
| 5 | VOE 14243192 | 14243192 | 1 | ||
| 6 | VOE 973244 | Винт шестигранник | 1 | ||
| 6 | VOE 973244 | Винт шестигранник | 1 | ||
| 7 | VOE 14243933 | Attachment | 1 | ||
| 8 | VOE 13970951 | Винт шестигранник | 1 | ||
| 8 | VOE 13970951 | Винт шестигранник | 1 | ||
| 9 | VOE 14026370 | Соединитель | 1 | ||
| 9B | VOE 14245417 | Cable | 1 |

