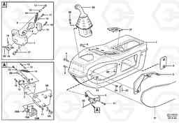
Side panel, left экскаватора Volvo Construction Equipment EC160 SER NO 1001-
Side panel, left экскаватора Volvo Construction Equipment EC160 SER NO 1001- со списком деталей и комплектацией. Каждую деталь можно приобрести в наличии и под заказ с дотавкой по всей России
Код подсистемы:35429
Наименование:Side panel, left
Версия:SER NO - 1021
Side panel, left EC160 SER NO 1001-
| Поз. | Код | Наименование | Кол | Прим. | |
|---|---|---|---|---|---|
| 1 | VOE 14372293 | 14372293 | 1 | ||
| 10 | VOE 14244681 | Вставка | 1 | ||
| 11 | VOE 956060 | Cross recessed screw | 1 | ||
| 11 | VOE 956060 | Cross recessed screw | 1 | ||
| 12 | VOE 14244682 | Вставка | 1 | ||
| 13 | VOE 956064 | Cross recessed screw | 1 | ||
| 13 | VOE 956064 | Cross recessed screw | 1 | ||
| 14 | VOE 14212914 | Пружина натяжная | 1 | ||
| 15 | VOE 14212070 | Microswitch | 1 |
B61
|
|
| 16 | VOE 959168 | Allen Hd Screw | 1 | ||
| 17 | VOE 959187 | Hex. socket screw | 1 | ||
| 17 | VOE 959187 | Винт шестигранник (торцевой ключ) | 1 | ||
| 18 | VOE 14379461 | Тарелка клапана | 1 |
SER NO - 1006
|
|
| 18A | VOE 14372014 | Тарелка клапана | 1 |
SER NO 1007 -
|
|
| 19 | VOE 14213040 | установочный винт | 1 | ||
| 2 | VOE 14346457 | Attaching Fitting | 1 | ||
| 20 | VOE 14371665 | Bar | 1 |
SER NO - 1006
|
|
| 20A | VOE 14243941 | Bar | 1 |
SER NO 1007 -
|
|
| 20B | VOE 14250332 | Knob | 1 |
SER NO 1007 -
|
|
| 21 | VOE 14371672 | Side panel | 1 | ||
| 22 | VOE 14371673 | Fastening Band | 1 |
L = 3x25MM
|
|
| 23 | VOE 14371674 | Скоба (хомут) | 1 | ||
| 24 | VOE 975367 | Винт шестигранник (торцевой ключ) | 1 | ||
| 26 | ZM 2810328 | Болт | 1 | ||
| 27 | VOE 14379500 | Cover panel | 1 | ||
| 28 | VOE 13965483 | Nut | 1 | ||
| 28 | VOE 13965483 | Гайка | 1 | ||
| 3 | VOE 14371636 | Тарелка клапана | 1 | ||
| 4 | VOE 13945444 | Болт | 1 | ||
| 4 | VOE 13945444 | Screw | 1 | ||
| 5 | VOE 14379428 | Тарелка клапана | 1 |
SER NO - 1006
|
|
| 5A | VOE 14325924 | 14325924 | 1 |
SER NO 1007 -
|
|
| 6 | ZM 2810329 | Болт | 1 |
SER NO - 1006
|
|
| 6A | VOE 971321 | Винт шестигранник (торцевой ключ) | 1 |
SER NO 1007 -
|
|
| 6A | VOE 971321 | Болт | 1 |
SER NO 1007 -
|
|
| 7 | VOE 14342056 | Attaching plate | 1 | ||
| 8 | VOE 14212915 | Втулка | 1 | ||
| 9 | VOE 14244680 | 14244680 | 1 |
SER NO - 1006
|
|
| 9A | VOE 14325923 | 14325923 | 1 |
SER NO 1007 -
|

