Timing gear casing экскаватора Volvo Construction Equipment EW200 SER NO 3175-
Timing gear casing экскаватора Volvo Construction Equipment EW200 SER NO 3175- со списком деталей и комплектацией. Каждую деталь можно приобрести в наличии и под заказ с дотавкой по всей России
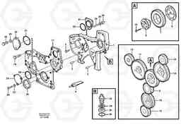
Код подсистемы:10112
Наименование:Timing gear casing
Версия:
Timing gear casing EW200 SER NO 3175-
| Поз. | Код | Наименование | Кол | Прим. | |
|---|---|---|---|---|---|
| VOE 420083 | Втулка | 1 | |||
| VOE 13948217 | Flange screw | 1 |
L = 45: (948217)
|
||
| VOE 13948217 | Болт | 1 |
L = 45: (948217)
|
||
| VOE 13965216 | Болт | 1 |
L = 55: (965216)
|
||
| VOE 13965216 | Болт | 1 |
L = 55: (965216)
|
||
| VOE 13965182 | Болт | 1 |
L = 80: (965182)
|
||
| VOE 13965182 | Flange screw | 1 |
L = 80: (965182)
|
||
| VOE 13965183 | Flange screw | 1 |
L = 90: (965183)
|
||
| VOE 13965183 | Flange screw | 1 |
L = 90: (965183)
|
||
| VOE 965225 | Flange screw | 1 |
M12, L = 35
|
||
| VOE 965225 | Flange screw | 1 |
M12, L = 35
|
||
| VOE 13965187 | Flange screw | 1 |
L = 60: (965187)
|
||
| VOE 13965187 | Болт | 1 |
L = 60: (965187)
|
||
| VOE 471535 | Болт | 1 |
L = 58
|
||
| VOE 471535 | Болт | 1 |
L = 58
|
||
| 1 | VOE 8192775 | Tmg Gear Casing | 1 | ||
| 10 | VOE 471554 | Болт | 1 | ||
| 10 | VOE 471554 | Болт | 1 | ||
| 17 | VOE 8192590 | Tmg Gear Cover | 1 | ||
| 17 | VOE 8192590 | Tmg Gear Cover | 1 | ||
| 18 | VOE 477118 | Кольцо уплотнительное | 1 | ||
| 18 | VOE 477118 | Кольцо уплотнительное | 1 | ||
| 19 | VOE 13947760 | Болт | 1 |
L = 40: (947760)
|
|
| 19 | VOE 13947760 | Flange screw | 1 |
L = 40: (947760)
|
|
| 2 | VOE 13941511 | Палец | 1 |
(941511)
|
|
| 20 | VOE 465735 | Крышка | 1 | ||
| 20 | VOE 465735 | Cap | 1 | ||
| 21 | VOE 925094 | Кольцо уплотнительное (О-кольцо) | 1 | ||
| 21 | VOE 925094 | Кольцо уплотнительное (О-кольцо) | 1 | ||
| 22 | VOE 946472 | Flange screw | 1 |
L = 30
|
|
| 22 | VOE 946472 | Flange screw | 1 |
L = 30
|
|
| 23 | VOE 955895 | Шайба | 1 | ||
| 23 | VOE 955895 | Шайба | 1 | ||
| 24 | VOE 471559 | Cap | 1 | ||
| 24 | VOE 471559 | Крышка | 1 | ||
| 25 | VOE 925257 | Кольцо уплотнительное (О-кольцо) | 1 | ||
| 25 | VOE 925257 | Кольцо уплотнительное (О-кольцо) | 1 | ||
| 26 | VOE 13945444 | Болт | 1 | ||
| 26 | VOE 13945444 | Flange screw | 1 | ||
| 27 | VOE 13941907 | Шайба пружинная | 1 | ||
| 27 | VOE 13941907 | Шайба | 1 | ||
| 28 | VOE 967951 | Шпилька | 1 | ||
| 28 | VOE 967951 | Шпилька | 1 | ||
| 29 | VOE 955899 | Шайба | 1 | ||
| 29 | VOE 955899 | Шайба | 1 | ||
| 3 | VOE 13941510 | Палец | 1 |
(941510)
|
|
| 30 | VOE 13971097 | Flange nut | 1 | ||
| 30 | VOE 13971097 | Flange nut | 1 | ||
| 31 | VOE 420178 | Крышка | 1 | ||
| 31 | VOE 420178 | Крышка | 1 | ||
| 32 | VOE 13975610 | Кольцо уплотнительное (О-кольцо) | 1 | ||
| 32 | VOE 13975610 | Кольцо уплотнительное (О-кольцо) | 1 | ||
| 33 | VOE 1502028 | Eng Sp Sensor | 1 | ||
| 33 | VOE 1502028 | Eng Sp Sensor | 1 | ||
| 34 | VOE 13947624 | Plane Gasket | 1 | ||
| 34 | VOE 13947624 | Plane Gasket | 1 | ||
| 35 | VOE 863412 | Втулка (распорная) | 1 | ||
| 35 | VOE 863412 | Втулка (распорная) | 1 | ||
| 36 | VOE 925059 | Кольцо уплотнительное (О-кольцо) | 1 |
(14012270)
|
|
| 36 | VOE 925059 | Кольцо уплотнительное (О-кольцо) | 1 |
(14012270)
|
|
| 4 | VOE 1161277 | Sealant | 1 |
20 g
|
|
| 4 | VOE 1161277 | Sealant | 1 |
20 g
|
|
| 5 | VOE 471534 | Болт | 1 |
L = 28
|
|
| 5 | VOE 471534 | Болт | 1 |
L = 28
|
|
| 7 | VOE 8192518 | Промежуточная шестерня | 1 | ||
| 7 | VOE 8192518 | Промежуточная шестерня | 1 | ||
| 8 | VOE 11704619 | Мост (ось) | 1 | ||
| 9 | VOE 478951 | Шайба упорная | 1 | ||
| 9 | VOE 478951 | Шайба упорная | 1 |

