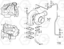
Турбокомпрессор (турбина) с установочными деталями экскаватора Volvo Construction Equipment EW200 SER NO 3175-
    Турбокомпрессор (турбина) с установочными деталями экскаватора Volvo Construction Equipment EW200 SER NO 3175- со списком деталей и комплектацией. Каждую деталь можно приобрести в наличии и под заказ с дотавкой по всей России
Код подсистемы:53669
            Наименование:Turbocharger with fitting parts
            Версия:
        Turbocharger with fitting parts EW200 SER NO 3175-
        | Поз. | Код | Наименование | Кол | Прим. | |
|---|---|---|---|---|---|
| 1 | VOE 11032959 | Турбокомпрессор (турбина) | 1 | 
                                                                     
                                            
                                            TD 63 KHE                                         
                                     | 
                            |
| 10 | VOE 13941907 | Шайба пружинная | 1 | ||
| 10 | VOE 13941907 | Шайба | 1 | ||
| 11 | VOE 941686 | Hollow screw | 1 | ||
| 11 | VOE 941686 | Hollow screw | 1 | ||
| 12 | VOE 7011996 | Прокладка | 1 | ||
| 12 | VOE 7011996 | Прокладка | 1 | ||
| 14 | VOE 13946834 | Зажим | 1 | ||
| 14 | VOE 13946834 | Зажим | 1 | ||
| 15 | VOE 947107 | Flange screw | 1 | ||
| 15 | VOE 947107 | Flange screw | 1 | ||
| 16 | VOE 862044 | Return pipe | 1 | ||
| 17 | VOE 420643 | Прокладка | 1 | ||
| 17 | VOE 420643 | Прокладка | 1 | ||
| 18 | VOE 13945444 | Болт | 1 | ||
| 18 | VOE 13945444 | Screw | 1 | ||
| 19 | VOE 13955894 | Шайба | 1 | ||
| 19 | VOE 13955894 | Шайба | 1 | ||
| 2 | VOE 420618 | Прокладка | 1 | ||
| 2 | VOE 420618 | Прокладка | 1 | ||
| 20 | VOE 471626 | Кольцо уплотнительное | 1 | ||
| 20 | VOE 471626 | Кольцо уплотнительное | 1 | ||
| 3 | VOE 847384 | Spacer plate | 1 | ||
| 4 | VOE 13977298 | Шпилька | 1 | ||
| 5 | VOE 471622 | Flange lock nut | 1 | ||
| 6 | VOE 866166 | Трубка | 1 | ||
| 7 | VOE 420641 | Прокладка | 1 | ||
| 7 | VOE 420641 | Прокладка | 1 | ||
| 8 | VOE 13945444 | Болт | 1 | 
                                                                     
                                            
                                            (945444)                                         
                                     | 
                            |
| 8 | VOE 13945444 | Screw | 1 | 
                                                                     
                                            
                                            (945444)                                         
                                     | 
                            |
| 9 | VOE 946671 | Flange screw | 1 | ||
| 9 | VOE 946671 | Flange screw | 1 | 

