Топливная система экскаватора Volvo Construction Equipment EC230B SER NO 5252-
Топливная система экскаватора Volvo Construction Equipment EC230B SER NO 5252- со списком деталей и комплектацией. Каждую деталь можно приобрести в наличии и под заказ с дотавкой по всей России
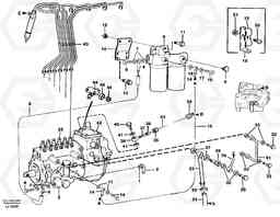
Код подсистемы:40697
Наименование:Fuel system
Версия:
Fuel system EC230B SER NO 5252-
| Поз. | Код | Наименование | Кол | Прим. | |
|---|---|---|---|---|---|
| 1 | VOE 13946602 | Nipple | 1 | ||
| 1 | VOE 13946602 | Nipple | 1 | ||
| 10 | VOE 847841 | Кронштейн | 1 | ||
| 11 | VOE 946471 | Flange screw | 1 | ||
| 11 | VOE 946471 | Flange screw | 1 | ||
| 12 | VOE 971071 | Hexagon nut | 1 | ||
| 12 | VOE 971071 | Hexagon nut | 1 | ||
| 13 | VOE 13946752 | Болт | 1 | ||
| 13 | VOE 13946752 | Болт | 1 | ||
| 14 | VOE 977753 | Banjo nipple | 1 | ||
| 14 | VOE 977753 | Banjo nipple | 1 | ||
| 15 | VOE 11032960 | Fuel pipe | 1 | ||
| 16 | VOE 7025167 | Hollow screw | 1 | ||
| 16 | VOE 7025167 | Hollow screw | 1 | ||
| 17 | VOE 13969011 | Прокладка | 1 | ||
| 17 | VOE 13969011 | Прокладка | 1 | ||
| 18 | VOE 13965556 | Кронштейн | 1 | ||
| 19 | VOE 404279 | Зажим | 1 | ||
| 19 | VOE 404279 | Зажим | 1 | ||
| 2 | VOE 11031348 | Nipple | 1 | ||
| 2 | VOE 11031348 | Nipple | 1 | ||
| 20 | VOE 956095 | Cross recessed screw | 1 | ||
| 20 | VOE 956095 | Cross recessed screw | 1 | ||
| 21 | VOE 13955781 | Гайка | 1 | ||
| 21 | VOE 13955781 | Гайка | 1 | ||
| 23 | VOE 837608 | Fuel pipe | 1 | ||
| 25 | VOE 943470 | Hose clamp | 1 | ||
| 25 | VOE 943470 | Hose clamp | 1 | ||
| 26 | VOE 7016496 | Hollow screw | 1 | ||
| 26 | VOE 7016496 | Hollow screw | 1 | ||
| 27 | VOE 13969011 | Прокладка | 1 |
(969011)
|
|
| 27 | VOE 13969011 | Прокладка | 1 |
(969011)
|
|
| 29 | VOE 7074033 | Hollow screw | 1 | ||
| 29 | VOE 7074033 | Hollow screw | 1 | ||
| 30 | VOE 947620 | Прокладка | 1 | ||
| 30 | VOE 947620 | Прокладка | 1 | ||
| 31 | VOE 8192200 | Oil pipe | 1 | ||
| 31 | VOE 8192200 | Oil pipe | 1 | ||
| 32 | VOE 7048634 | Hollow screw | 1 | ||
| 32 | VOE 7048634 | Hollow screw | 1 | ||
| 33 | VOE 13947281 | Прокладка | 1 |
(947281)
|
|
| 33 | VOE 13947281 | Прокладка | 1 |
(947281)
|
|
| 34 | VOE 13945460 | Plastic pipe | 1 |
L = 800 mm
|
|
| 34 | VOE 13945460 | Plastic pipe | 1 |
L = 800 mm
|
|
| 35 | VOE 954356 | Fitting nut | 1 | ||
| 35 | VOE 954356 | Fitting nut | 1 | ||
| 36 | VOE 944717 | Втулка (распорная) | 1 | ||
| 36 | VOE 944717 | Втулка (распорная) | 1 | ||
| 37 | VOE 954364 | Ferrule | 1 | ||
| 37 | VOE 954364 | Ferrule | 1 | ||
| 38 | VOE 13945417 | Banjo nipple | 1 | ||
| 38 | VOE 13945417 | Banjo nipple | 1 | ||
| 39 | VOE 13954378 | Nipple | 1 | ||
| 39 | VOE 13954378 | Nipple | 1 | ||
| 4 | VOE 977753 | Banjo nipple | 1 | ||
| 4 | VOE 977753 | Banjo nipple | 1 | ||
| 40 | VOE 968178 | Hollow screw | 1 | ||
| 40 | VOE 968178 | Hollow screw | 1 | ||
| 41 | VOE 13947282 | Прокладка | 1 |
(7011994)
|
|
| 41 | VOE 13947282 | Прокладка | 1 |
(7011994)
|
|
| 44 | VOE 849404 | 849404 | 1 | ||
| 45 | VOE 239059 | Крышка | 1 | ||
| 46 | VOE 239056 | Пружина | 1 | ||
| 5 | VOE 11032997 | Fuel pipe | 1 | ||
| 6 | VOE 7025167 | Hollow screw | 1 | ||
| 6 | VOE 7025167 | Hollow screw | 1 | ||
| 7 | VOE 13969011 | Прокладка | 1 | ||
| 7 | VOE 13969011 | Прокладка | 1 | ||
| 9 | VOE 13968062 | Пробка (заглушка) | 1 | ||
| 9 | VOE 13968062 | Пробка (заглушка) | 1 |

