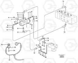
Hydraulic system, X5 экскаватора Volvo Construction Equipment EW140 SER NO 1001-1487
Hydraulic system, X5 экскаватора Volvo Construction Equipment EW140 SER NO 1001-1487 со списком деталей и комплектацией. Каждую деталь можно приобрести в наличии и под заказ с дотавкой по всей России
Код подсистемы:31684
Наименование:Hydraulic system, X5
Версия:14311177
Hydraulic system, X5 EW140 SER NO 1001-1487
| Поз. | Код | Наименование | Кол | Прим. | |
|---|---|---|---|---|---|
| 1 | VOE 14373050 | Клапан | 1 | ||
| 10 | VOE 4880492 | Кольцо уплотнительное (О-кольцо) | 1 | ||
| 10 | VOE 4880492 | Кольцо уплотнительное (О-кольцо) | 1 | ||
| 11 | VOE 14347139 | Шланг | 1 | ||
| 11 | VOE 14347139 | Шланг | 1 | ||
| 12 | VOE 14378769 | Шланг | 1 | ||
| 12 | VOE 14378769 | Шланг | 1 | ||
| 13 | VOE 14378727 | Шланг | 1 | ||
| 13 | VOE 14378727 | Шланг | 1 | ||
| 14 | VOE 13933936 | T-nipple | 1 | ||
| 14 | VOE 13933936 | T-nipple | 1 | ||
| 15 | VOE 4880492 | Кольцо уплотнительное (О-кольцо) | 1 | ||
| 15 | VOE 4880492 | Кольцо уплотнительное (О-кольцо) | 1 | ||
| 16 | VOE 13933900 | Elbow nipple | 1 | ||
| 16 | VOE 13933900 | Elbow nipple | 1 | ||
| 17 | VOE 4880492 | Кольцо уплотнительное (О-кольцо) | 1 | ||
| 17 | VOE 4880492 | Кольцо уплотнительное (О-кольцо) | 1 | ||
| 18 | VOE 14370249 | Фиттинг | 1 | ||
| 19 | VOE 4880492 | Кольцо уплотнительное (О-кольцо) | 1 | ||
| 19 | VOE 4880492 | Кольцо уплотнительное (О-кольцо) | 1 | ||
| 2 | VOE 14244111 | Вставка | 1 | ||
| 2 | VOE 14244111 | Вставка | 1 | ||
| 20 | VOE 14211856 | Кольцо уплотнительное | 1 | ||
| 20 | VOE 14211856 | Кольцо уплотнительное | 1 | ||
| 21 | VOE 14378947 | Cable harness | 1 | ||
| 22 | VOE 14378657 | Socket | 1 | ||
| 22 | VOE 14378657 | Socket | 1 | ||
| 23 | VOE 14371058 | Сальник | 1 | ||
| 24 | VOE 11305562 | Болт | 1 | ||
| 24 | VOE 11305562 | Болт | 1 | ||
| 3 | VOE 955255 | Винт шестигранник | 1 | ||
| 3 | VOE 955255 | Винт шестигранник | 1 | ||
| 4 | VOE 13965483 | Flange Lock Nut | 1 | ||
| 4 | VOE 13965483 | Гайка | 1 | ||
| 5 | VOE 13933915 | Nipple | 1 | ||
| 5 | VOE 13933915 | Nipple | 1 | ||
| 6 | VOE 4880492 | Кольцо уплотнительное (О-кольцо) | 1 | ||
| 6 | VOE 4880492 | Кольцо уплотнительное (О-кольцо) | 1 | ||
| 7 | VOE 14211857 | Кольцо уплотнительное | 1 | ||
| 7 | VOE 14211857 | Кольцо уплотнительное | 1 | ||
| 8 | VOE 14373069 | Restricting Jet | 1 | ||
| 9 | VOE 13933900 | Elbow nipple | 1 | ||
| 9 | VOE 13933900 | Elbow nipple | 1 |

