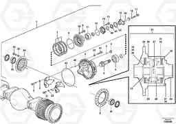
Главная передача погрузчика колесного Volvo Construction Equipment L350F
Главная передача погрузчика колесного Volvo Construction Equipment L350F со списком деталей и комплектацией. Каждую деталь можно приобрести в наличии и под заказ с дотавкой по всей России
Код подсистемы:96321
Наименование:Final drive
Версия:11145761, 82840
Final drive L350F
| Поз. | Код | Наименование | Кол | Прим. | |
|---|---|---|---|---|---|
| 1 | VOE 15111741 | Differential | 1 |
CPL
|
|
| 10 | VOE 15019827 | Шайба | 1 | ||
| 11 | VOE 15111896 | Подшипник | 1 | ||
| 12 | VOE 15112041 | Кольцо уплотнительное (О-кольцо) | 1 | ||
| 13 | VOE 15112046 | Болт | 1 | ||
| 14 | VOE 15014763 | Шайба | 1 | ||
| 15 | VOE 15112048 | Coupling head | 1 | ||
| 16 | VOE 15112059 | Кольцо уплотнительное (О-кольцо) | 1 | ||
| 17 | VOE 15112071 | Болт | 1 | ||
| 18 | VOE 15013369 | Шайба | 1 | ||
| 19 | VOE 15111882 | Болт | 1 | ||
| 2 | VOE 15111742 | Differential carrier | 1 | ||
| 20 | VOE 15019827 | Шайба | 1 | ||
| 21 | VOE 15111746 | Болт | 1 | ||
| 22 | VOE 15019333 | Шайба | 1 | ||
| 23 | VOE 15112131 | Differential | 1 | ||
| 24 | VOE 15112105 | Case | 1 | ||
| 25 | VOE 15112108 | Крышка | 1 | ||
| 26 | VOE 15112109 | Кольцо | 1 | ||
| 27 | VOE 15112112 | Вал | 1 | ||
| 28 | VOE 15112113 | Шестерня | 1 | ||
| 29 | VOE 15112116 | Gear | 1 | ||
| 3 | VOE 15019666 | Пробка (заглушка) | 1 | ||
| 30 | VOE 15112117 | Clutch | 1 | ||
| 31 | VOE 15112119 | Пластина | 1 |
THICK = 3,4 MM
|
|
| 32 | VOE 15112120 | Пластина | 1 |
THICK = 3,5 MM
|
|
| 33 | VOE 15112121 | Палец | 1 | ||
| 34 | VOE 15112122 | Шайба | 1 |
THICK = 3,7 MM
|
|
| 35 | VOE 15112124 | Шайба | 1 |
THICK = 4,0 MM
|
|
| 36 | VOE 15112126 | Шайба | 1 |
THICK = 4,2 MM
|
|
| 37 | VOE 15112129 | Болт | 1 | ||
| 38 | VOE 15112130 | Шайба | 1 | ||
| 39 | VOE 15111886 | Подшипник | 1 | ||
| 4 | VOE 15019636 | Кольцо уплотнительное (О-кольцо) | 1 | ||
| 40 | VOE 15112042 | Sealing | 1 | ||
| 41 | VOE 15112044 | Sealing | 1 | ||
| 42 | VOE 15112056 | Protection | 1 | ||
| 43 | VOE 15019663 | Кольцо уплотнительное (О-кольцо) | 1 | ||
| 44 | VOE 15014633 | Болт | 1 | ||
| 45 | VOE 15019827 | Шайба | 1 | ||
| 46 | VOE 15110655 | Палец | 1 | ||
| 5 | VOE 15109957 | Шестерня | 1 | ||
| 6 | VOE 15111894 | Подшипник | 1 | ||
| 7 | VOE 15111880 | Прокладка | 1 |
THICK = 0,2 MM
|
|
| 7 | VOE 15111749 | Прокладка | 1 |
THICK = 1,0 MM
|
|
| 7 | VOE 15111881 | Прокладка | 1 |
THICK = 0,05 MM
|
|
| 7 | VOE 15111752 | Прокладка | 1 |
THICK = 0,3 MM
|
|
| 8 | VOE 15111906 | Кольцо уплотнительное (О-кольцо) | 1 | ||
| 9 | VOE 15111882 | Болт | 1 |

